יוני
17
תגיות
האוטו שלנו ירוק
חלק ראשון
בוקר בוקר, אחרי שהסתיים החופש הגדול, היה אבא נוטל את כפי בידו ומוליך אותי לגן שושנה, שברחוב יעקב ברחובות, ליד בית העם. משם המשיך לגימנסיה שברחוב מנוחה ונחלה, בה לימד ספרות ותנ"ך. הכרנו כל עץ, כל מרצפת מדרכה וכל עמוד חשמל בדרך הזאת. אבא לימד אותי משחקי דרך אחדים: יום אחד היינו דורכים על קווי החיבור בין המרצפות ויום אחר מקפידים להימנע מכך, לפעמים מדלגים מרצפת אחת מכל שתיים.
ובוקר אחד, קצת אחרי ראש השנה תש"ז, הוא הופיע. בצל התות הגדול שליד "פוטו שלייסנר", ומול הדואר הישן, עמד אוטו חדש, ירוק, שכמוהו עוד לא נראה עד אז ברחובות. ולא שהיו אז מכוניות רבות במושבה: להפך, מעטות מאד, ואנחנו הכרנו כל אחת ואחת מהן, אותה ואת בעליה. לאוטו החדש היה הרבה מה להגיד, ובעיקר זה: אני יותר ממה שהעין רואה. חדש ונוצץ אבל מהסוג הישן והנכבד, עשוי ביד חרשים אמונה. זורח בקישוטי כרום ממורקים, עם פנסים גדולים זוהרים ושבכה מפוארת בחזיתו, עם מדרגות מימינו ומשמאלו, עם צמיג לעת דחק מוצפן באחוריו, וחובו מרופד בעור ריחני ומעוטר במהגוני מגולף, וביחוד: ההגה בצד ימין! כמו במכוניות של החיילים האנגלים שגרו אז ברחוב אייזנברג המגודר.
במרכז מכסה תא המטען, מאחור, היה שלט אמייל עגול וצבעוני, ובו, מעל מפרשי אנית ויקינגים החוצה את משברי האוקינוס, כתוב לאמור: “רובר 10“. את זה כמובן קרא אבא, כי אני טרם ידעתי לקרוא.
התפעלנו ואפילו קינאנו ואני לא העזתי לחלום כי יום אחד כל התפארת הזאת תהיה שלי.
הרובר המשיך לעמוד שם, יום יום, עד שנת 1958. גם ב-15 במאי 1948, למחרת היום בו קמה המדינה והמצרים הפציצו את מרכז רחובות. בית המועצה, כ 50 מטר משם, חרב כליל. הסקודה של שש, איש מחלקת המים, שחנתה מולו – נוקבה ככברה וכך גם המשיכה לשרת את בעליה עוד שנים אחדות (קראנו לה “המסננת של שש“). אבל הרובר, שהיה גם הוא קרוב מאד למקום – יצא ללא פגע וללא שריטה. ויום אחד נעלם ובמקומו הופיעה "ארמסטרונג סידלי" נכבדה שבעתיים, גם היא עם הגה ימני.
אולי כאן המקום להסביר מה קרה, כפי שסיפר לי מר פליקס שלייסנר, כשבאתי כעבור שנים לשמוע את סיפור הרובר מפיו (בעוד אישתו מזילה דמעות געגועים).
את הרובר, סיפר ולא דייק, קנה אצל נששיבי בעיר העתיקה, שהיה סוכן החברה בארץ באותם הימים. בזה נבדל הרובר מרבים מאחיו שהסתובבו על כבישי הארץ, ועוד נחזור לכך בהמשך, והוא שירת אותו באמונה כשתיים עשרה שנים.
יום אחד ראה שלייסנר מודעה בעיתון ש"ארמסטרונג סידלי ספיר" מוצאת למכירה, בהזדמנות. מופתע וספקן (מכונית כזאת? בארץ? בעצם ימי הצנע? בזול?) לא התאפק, לקח איתו את בנו דני – ויחד נסעו לתל אביב. הסתבר כי המכונית שייכת לנספח האווירי הבריטי, מין קולונל צנום וגבוה כזה, עם כובע מצחיה ושפם דק ומקל דק תחת זרועו העוטה כסיות צחורות. גאוות ה"סידלי“ היתה תיבת הילוכים פרה-סלקטור מטיפוס ווילסון מבוקרת חשמלית – שיא הקידמה באותם הימים. חברת ארמסטרונג-סידלי השתייכה ל"ויקרס" – יצרן המטוסים והנשק הבריטי והקשר לנספח האוירי לא מפתיע.
בוקר אחד התיישב הקולונל במכוניתו, לחץ על כפתור הרברס – והמכונית לא זזה. זועם אך מאופק חזר למשרדו והבריק אותות מצוקה להנהלת סידלי בקובנטרי. חיש קל הועלו שני מכונאים עם ציודם (שכלל ארגז בירה גדול) על המטוס הראשון. למחרת, עוטי סרבלים לבנים, פתחו השניים את מכסה המנוע והחלו לבדוק אותו, מכלים את תסכולם בבירה. כעבור שבוע הודיעו כי נואשו וכי המכונית חסרת תקנה, וחזרו לארצם הקרירה.
שלייסנר ובנו לא חסו על כבודם וזחלו מתחת המכונית וראו חוט חשמל קרוע משתרבב לו דומם. הם הגיחו חזרה לאור היום, רחצו ידיים וקנו מהנספח את המכונית בכמעט חינם. אחר דחפו אותה מהחנייה לרחוב, נדחקו תחתיה שנית וחיברו מחדש את החוט הקרוע, ואפילו כיסו אותו ב"איזולירבנד". המכונית ניעורה מיד לחיים ונסעה לרחובות שם נשארה שנים רבות מתחת לתות שברחוב יעקב, עד שיום אחד מר ונמהר נסע מר שלייסנר לבקר את דני שירד בינתיים לדרום-אפריקה, ונטרף שם על ידי אריה.
הרובר, כאמור, נמכר ונעלם מעיני.
בשנת 1968 הייתי כבר פיסיקאי צעיר עם "בייבי פורד" (פורד אנגליה 1950) והתכוננתי להתחיל את עבודתי בבאר-שבע. טרוד בסידורים אחרונים עברתי ליד מגרש הגרוטאות של בירגר, בכניסה הדרומית לנס-ציונה. בפתחו עמד הרובר, במה שנראה כשעותיו האחרונות. עצרתי מיד כדי לברר מה קורה. בעליו הנכחי, אם כי הלא הרשום (כדי לחסוך דמי העברת-בעלות) היה עמירם, בן כיתתי לשעבר ועכשיו עוזרו של בירגר. עמירם סיפר כי אחרי שלייסנר עבר הרובר לידיו של נהגה של הקונסוליה האוסטרלית, שגר בראשיתו של רחוב ש. בן-ציון – בבית שנפגע גם הוא מהפצצות המצרים וצלקות הרסיסים לא נמחו ממנו עשרות שנים בגלל דין ודברים מר שהיה בין הדיירים ובעל הבית. בימי השבוע נהג ב"ווקסהול" השרד השחורה, ובשבתות הסיע את בני משפחתו לחוף פלמחים ברובר, שמעולם לא הכזיב. כך נמשך הדבר עשר שנים עד שהילדים החלו להתאונן שברחוב לועגים להם על הטרנטה המשפחתית המחפירה. הילדים לחצו ולחצו ולבסוף נכנע אביהם וקנה סוסיתה קוביה חדשה, וכבוד המשפחה שוקם. הרובר התדרדר לידיו של עמירם, ובעוד חדשים וחצי יהיה לו טסט…
עמירם צלע, אחרי תאונת דרכים קשה (על מכונית אחרת). הרובר הוא מכונית אוטומטית, כמעט, אמר וזה מה שנחוץ לי במצבי הנכחי – והסביר לי מה הוא ה free-wheel (אותו כינה בשם "פריילוף") – אותו גלגל מוזר שעל לוח המכשירים של הרובר. אפשר לנהוג בלי קלאץ'. כמעט. וחוץ מזה יש לרובר גם מזגן אמר ופתח את החלון הקידמי, מגלגל במרץ ידית קטנה שנמצאת מתחתיו. כך נושבת פנימה רוח נעימה, כשנוסעים.
ומה בעניין חלקי חילוף, שאלתי, איך אתה משיג אותם? ל"בייבי פורד" אין בעיה – כל מה שצריך נמצא בסוכנות פורד, ואם חסר להם משהו הם מזמינים אותו מאנגליה, והוא מגיע תוך ימים אחדים – אמרתי, למוד נסיון.
גם ברובר אין בעיה, אמר עמירם. ראשית, הוא אף פעם לא מתקלקל. עובדה, כבר עשר שנים לא היה במוסך ולא עבר שום טיפול. שנית, יש מלאי גדול של חלקי חילוף מקוריים לגמרי בחינם, כאן על-יד. בוא ואראה לך.
עמירם לקח אותי לחצר שהיתה בקרבת מקום, מאחורי תחנת אגד של נס-ציונה. בפתחה עמד לו רובר נאה למדי, ומכסה המנוע שלו פתוח. "פירקתי לו את ראש המנוע השבוע" הסביר עמירם "כי מתקרב הזמן לניקוי ראש ושלייפ-סופפים. האוטו הזה זרוק כאן ואתה יכול לפרק ממנו כל מה שאתה צריך". הרושם שקיבלתי מדבריו היה שהרובר הנ"ל שייך גם הוא לאוצר הגרוטאות של בירגר, ושאני רוכש שתי מכוניות במחיר של אחת.
אחרי משא ומתן קצר סיכמנו עיסקה. הפורד ועוד ארבע מאות לירות – תמורת הרובר. בו במקום התחלפנו. בעיניו של עמירם היה כתוב: אולי היית תלמיד טוב ממני בבית-הספר, אבל פרייר גדול היית ופרייר תשאר.
"מילה אחת של אזהרה" היתה מילתו האחרונה של עמירם "למכונית הזאת יש דלתות התאבדות. דלתות שהציר שלהן מאחור, ולא מלפנים. יותר נוח להכנס כך למכונית כשאתה לבוש בפראק וצילינדר. אבל אם פותחים אותן בשעת נסיעה, אפילו קצת, הרוח אוחזת בהן ופותחת אותן עד תלישה, והן יכו וישמידו כל מה שעומד בדרכן. הזהר!"
ה-16 בחודש יוני 1968 היה יום העבודה הראשון שלי במקום העבודה החדש, ובו גם ערכתי את הנסיעה הראשונה ברובר – מרחובות לבאר-שבע.
איזה כיף. המכונית נראתה לי כבדה, יציבה, צייתנית, מלאה צעצועים: מד כמות הדלק מודד גם את מפלס השמן באגן, על ידי לחיצה על כפתור שבצידו. free-wheel המנתק את המנוע מהגלגלים כל אימת שמסירים את הרגל מדוושת הגאז. גלגל הבקרה שלו מסתובב בין שני מצבים: "חופשי“ ו"קבוע“. ב"קבוע“ משתמשים בירידות תלולות כדי לאפשר בלימת מנוע. לא נתקלתי בירידות כאלה בדרך מרחובות לבאר-שבע. “סמפורים" חשמליים המזנקים ממחבואם כל פעם שמפעילים את האיתות (וחוזרים אליו מאליהם כשמסתיימת הפניה). כפתור לויסות עוצמת האור בלוח המכשירים, וידית הפורשת מסך המכסה את החלון האחורי הקטנטן, נגד סינוור ונגד עינא-בישא. סוככי שמש מצחיקים שאפשר להאפיל בהם את החלון הקדמי כליל ולא לראות יותר דבר. הם גם מצוידים במראה וכשהדרך נעלמת אפשר להסתרק. מעמעם האורות נמצא במרכז ההגה, מתחת לכפתור הצופר. כפתור נוסף מפעיל ברז חשמלי הבורר בין מיכל הדלק העיקרי ומיכל הדלק לשעת חירום. כל מגב מצויד בגולת-הפעלה משלו: דחיפתה קדימה מלווה בסיבוב נגד כיוון השעון מתחילה את פעולת המגב. אם הוא אינו פועל משום מה, ניתן להמשיך להפעילו ידנית. ידית המשנק מסתתרת מתחת לתא הכפפות והיא בעלת שני מצבים: התנעה וסרק כשהמנוע מתחמם. במצב זה פועלת נורת אזהרה. עוד כמה הפתעות הסתתרו במכונית ואותם למדתי עם הזמן: את המגבה (ג'ק) מפעילים מתוכה: מגלגלים את השטיח שלרגלי הנהג או הנוסע שלידו, פותחים חלון עץ קטן שנמצא ברצפה, ואליו תוחבים את המגבה, המצוייד בידית. סיבובה של זו, בלי לצאת מהמכונית, מעלה בבת אחת שני גלגלים. טוב מאד בארץ גשומה וסגרירית. המצבר ועוד כמה דברים חשובים נמצאים מתחת למושב האחורי. יש להוציא את ריפוד המושב ממקומו ואז להשתמש במפתח מיוחד השמור ממגירה קטנה מתחת לתא הכפפות כדי לפתוח חלק מקרקעית המכונית. אז מתגלים הסרן האחורי ופקק השמן שלו, המצבר, וברגי כיוון הבלמים. המכונית מצויידת במערכת שימון מרכזית מתוצרת Luvax-Beajure, הכוללת משאבה עם מנוע ואקום, מיכל שמן 90, צנרת נחושת ומדידי טפטוף. הרובר משופע במיסבי החלקה שהם בסך הכל תותבי ארד (לקפיצים, ל-king-pins , לתפוחי ההגה ועוד ועוד) ובמקום לגרזם (ויש עשרות נקודות) כמקובל הם משומנים באספקה רציפה. נוח ונעים לתפעול, ומבטיח שבכל מקום שהרובר חונה בו, נוצרת שלולית שמן קטנה.
כשהתקרבתי לבאר-שבע השגחתי בכך שטמפרטורת המנוע עולה. עד שנכנסתי לעיר כבר עלה ענן קיטור מן הרדיאטור – כזה שלא נראה בבאר-שבע מאז ש 70414 שבת מלכת.
נסעתי ישר לאיזור המוסכים וחיפשתי מוסך נקי שבעליו נראה כאדם מן הישוב. זה היה מוסך "התאומים" שלימים הסתבר שבעליו היחיד רצח את אישתו, ביתר את גופתה והסתירה במקרר. מה שמעיד כי לא בורכתי בעין בוחנת כליות ולב. בעל המוסך, לעומת זאת, איבחן מיד: משאבת המים. אנחנו לא מתקנים דברים כאלה, אמר. מי כן? בעל המוסך הצביע על מתחרהו המר – המוסך שממול, בצד השני של הרחוב – הוא!
המוסך שממול התנבא באותן מילים ממש. המוסך השלישי היה חביב מעט יותר והבטיח כי אם אביא לו "קיט לתיקון משאבת מים של רובר 1946“ הוא ישמח לתקנה.
מה עושים? עמדו בפני שתי ברירות: לדחוף את המכונית המקולקלת לוואדי הקרוב ולשכוח מקיומה, או ללמוד לתחזקה במו ידי. עקשן חסר-תקנה ואופטימיסט חסר-תקנה – בחרתי בדרך השניה.
בערב, כשחזרתי מהעבודה התחלתי לקרוא בספר המכונית ששכן לו לתומו עשרים ושתיים שנה טובות ולא כל-כך בתא הכפפות. בין היתר היו בו כתובות למקרה של תקלה, כולל כתובת המשרד הראשי של רובר בלונדון, הטלפון שלו, ועוד מספרים אחדים של סוכנויות רובר ברחבי העולם, מעודכנים כולם לספטמבר 1946.
הורי שהו באותה עת בניו-יורק. שיחות טלפון טרנס-אטלנטיות היו יקרות וקשות לביצוע (ובדירתי כלל לא היה טלפון). ניגשתי לידידי חובב הרדיו עמנואל שלמון ז"ל – 4x4GV. הוא יצר קשר עם חובב מניו-יורק שאיתר את הורי ומסר להם את בקשתי: משאבת מיים, או קיט תיקון עבורה, לרובר 10 מודל 1946! למחרת התקשרנו שנית והתבשרתי שאין בניו יורק חלקי חילוף לדגמי רובר מלפני 1948. בלית ברירה מסרתי להם את מספר הסניף הראשי של רובר בלונדון, אליה הגיעו כעבור ימים אחדים, כפי שהופיע בספר המכונית – זה כל מה שהיה בידי. מספר הטלפון של רובר בלונדון אמנם לא השתנה, אבל גם שם לא היו חלפים לדגמים מלפני 1948. מה עושים?
חזרתי למוסכים וחנויות החלפים בבאר-שבע וביקשתי עזרה, ואז שאל מישהו: ואצל ולאדק כבר היית? ולדאק, מדרום רחוב הרצל בתל-אביב.
למחרת התייצבתי אצל ולאדק. הוא ישב בתוככי העסק שלו, לא מגולח, בין הררי ברזלים מחלידים, לבוש במכנסיים קצרים וגופיה אפורה, ואכל חביתה. שטחתי בפניו את בקשתי והוא קם בנון-שלנטיות כאילו לא מדובר בדבר נדיר ויקר המציאות והסיר אחת משאבת מים רובר 46 מהמדף.
נפרדתי מארבעים לירות, וולדק עוד שאל אותי לפני שיצאתי "ואצל שמואל כבר היית?" “שמואל?" “כן. מוסך שמואל, רחוב התבור 30" – וכך נפתח לו פרק חדש בסיפורנו.
חלק שני: סיפורי שמואל
חלק שלישי: תיאור טכני
משקל: 25 cwt שהם 1270 ק"ג.
בסיס גלגלים: 105 אינץ' שהם 267 ס"מ
מרווח גלגלים: 50 אינץ' (127 ס"מ) מלפנים ו 51-1/2 (131 ס"מ) מאחור.
גובה: 155 ס"מ.
הערות: לעומת מכונית מודרנית בנפח מנוע 1400 סמ"ק זוהי מכונית צרה, גבוהה וכבדה.
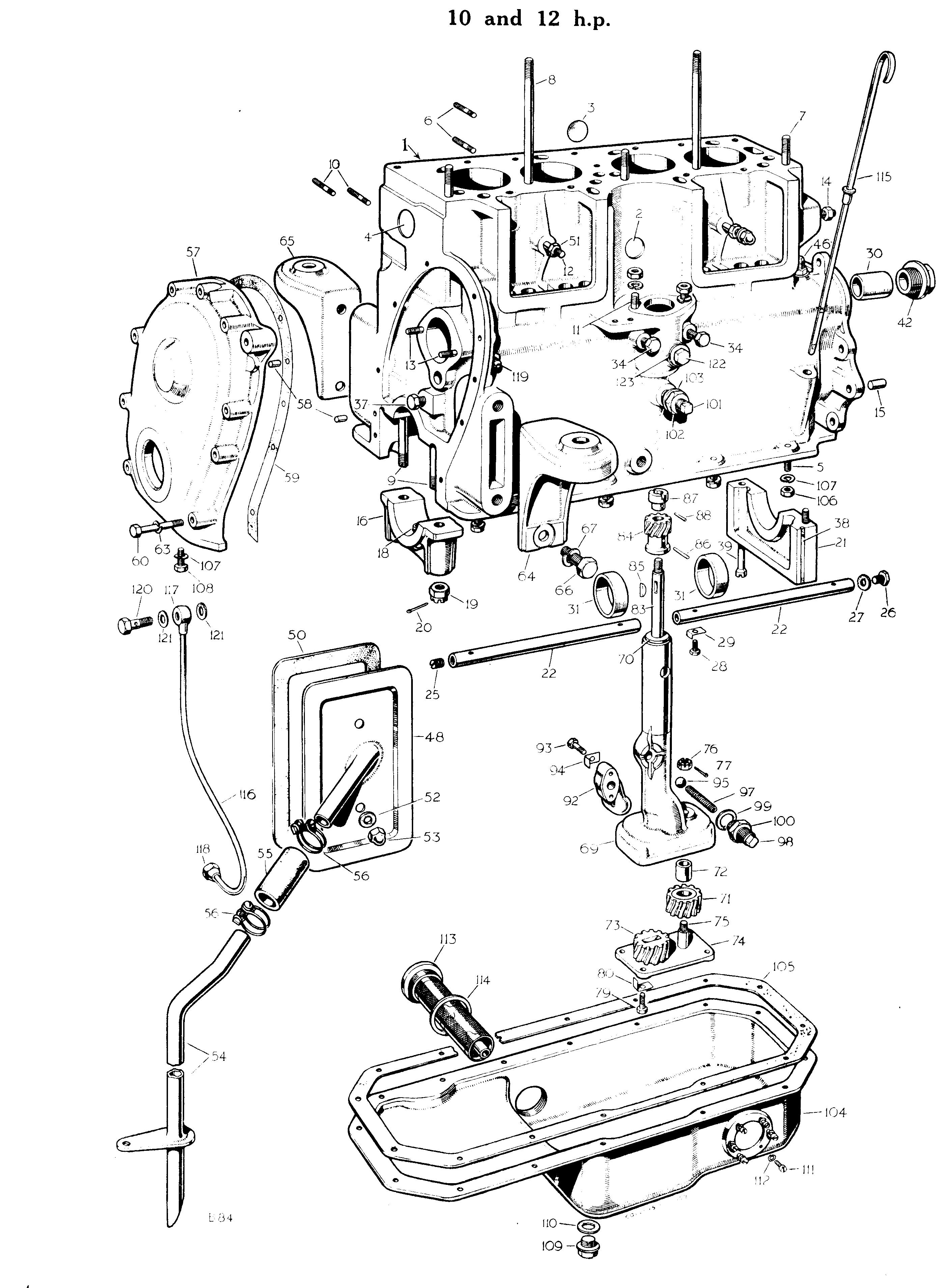
מנוע: ארבע בוכנות, נפח כולל 1389 סמ"ק. קדח 66.5 מ"מ ומהלך 100 מ"מ. שלשה מיסבים ראשיים. כל המיסבים יצוקים ממתכת לבנה ומותאמים ידנית. קוטר גל הארכובה 1.65 אינץ' (41.9 מ"מ – נורא קטן). השסתומים (8) מותקנים בראש המנוע ומונעים באמצעות מוטות הרמה מגל זיזים הנמצא בגוף המנוע. התזמון נעשה על ידי שני גלגלי שיניים ושרשרת ללא מותחן. בקצות גל הארכובה לא מותקנים מחזירי שמן, פרט לסליל הברגה ימנית מאחור (מחזיר שמן דינמי אך לא סטטי). משאבת שמן מטיפוס גלגלי שיניים טובלת באגן השמן, ללא פילטר שמן מיקרוני. אגן השמן מצויד במד-גובה-שמן חשמלי, המאפשר מדידת גובה השמן בלי לצאת מהמכונית. קירור מים ומשאבת מים צנטריפוגלית, מבוקרת על ידי טרמוסטט יחודי: הוא לא רק סוגר את זרימת המים למנוע כשהטמפרטורה נמוכה, אלא גם שולח אותם לנתיב עוקף, כדי שלא יווצר לחץ גבוה מדי ברדיאטור. מערכת הקירור פתוחה לאטמוספרה החיצונית: לא רק שאינה בעל-לחץ (להעלאת טמפטורת הרתיחה) אלא שהלחץ, ואיתו טמפרטורת הרתיחה יורדים ככל שהמכונית מטפסת גבוה יותר בהרים. בעליה לחרמון רתחו המים במנוע אף כי מד הטמפרטורה הורה על 80 מעלות בלבד. המנוע וראש המנוע יצוקים מפלדה בכמויות נדיבות – משקל המנוע המורכב (כולל המצמד) כ 250 ק"ג. קרבורטור סולקס בקוטר 30 מ"מ, ללא משאבת האצה. פתחי השאיפה והפליטה נמצאים באותו צד. יחס הדחיסה 1:6.5 וההספק (לא רשמי) 44 כ"ס לבלימה.
הערות: זהו מנוע מיושן, חלש ופרימיטיבי – אפילו לזמנו. המיסוי באנגליה נקבע לפי קוטר הקדח ולא לפי נפח המנוע. משום כך נפוצו מנועים בעלי קדח צר ומהלך ארוך, ולכן בעלי הספק נמוך ובלאי גבוה (מהירות בוכנה יותר גבוהה בסל"ד נתון. הבלאי יחסי לריבוע מהירות הבוכנה). יחס הדחיסה הורד לאחר המלחמה בגלל האיכות הנמוכה של הדלק. על התוצאות של העדר פילטר השמן המיקרוני ראו בהמשך. מאידך העבוד והגימור היו מעולים ולא קימצו בכמויות, והדבר התבטא באמינות היחסית של המוצר. שמואל: “במשך כל השנים לא ראיתי ראש רובר מפוצץ או בלוק רובר סדוק". גל הזיזים נחתך כך שההתנעה תהיה קלה ככל האפשר, על חשבון הביצועים.
מצמד: תוצרת רובר לפי פטנט של רובר. שלשה מנופים מסודרים ברווחים של 120 מעלות זה מזה על מכסה המצמד ומושכים מבחוץ את צלחת המצמד שבתוכו, כאשר הם נלחצים על ידי מיסב המצמד. אמנות לכוון את הדבר הזה, הנוטה להתפרק מפעם לפעם בהתפרצות מחרידה. הוחלף (על ידי) במרוצת השנים על ידי מצמד דיאפרגמה של פורד, שעובד לו באדישות מזה שנים רבות וללא צורך בשום כוונון.
תיבת הילוכים: נתונה בגוף אלומיניום להקלת משקלה. ארבעה הילוכים קידמיים ואחד אחורי ביחסים 4.88 7.27 9.95 16.49 . סינכרומש בין הילוך שלישי לרביעי בלבד. מצויידת ב freewheel לפי פטנט של רובר ומתוצרת רובר, המנתק את המנוע מהגלגלים באופן אוטומטי כאשר מהירות סיבובם עולה על מהירות סיבובו (כמו באופניים). מאפשר החלפת הילוכים ללא שימוש במצמד. גלגל בקרה על לוח המכוונים מאפשר ביטולו בשעת הצורך. כמו כן הוא מבוטל (בהכרח) כאשר משולב ההילוך האחורי. שילוב זה גם מפעיל את תאורת הנסיעה לאחור. מוט החלפת ההילוכים נמצא ברצפת המכונית והוא קצר וספורטיבי.
הערות: היחס בין שלישי לרביעי גבוה מאד 1/1.49 ו(גם הוא) אינו מאפשר נהיגה ספורטיבית במכונית הזו.
סרן אחורי: מטיפוס בנג'ו, ¾ צף. במשך 8 השנים שרובר P2 היה ביצור הוחלפו 14 דגמים. המיכלולים חילופיים ביניהם אך לא פריטיהם. מעניין שהייצור נמשך, בשינויים קלים, עמוק לתוך שנות הששים כשהוא משותף לרובר וללנד רובר גם יחד, על שלל דגמיהם. אחד הדברים היחודיים בו הוא בוקסת הלחץ המהדקת את מיסבי הגלגלים האחוריים לציריה. נחוץ מכבש הידראולי בלחץ 20 טון כדי להדקה או לשחררה. למותר לציין כי בוקסה זו היא לשמוש חד-פעמי. אצל שמואל במרתף הוקדש מדף שלם לבוקסות הללו, משוחות בגריז שימור ועטופות בנייר חום. הוא הסכים למכור אותן רק ללקוחות שחיבב.
שלדה: שלדת ברזל C ללא קורות חיזוק אלכסוניות (רחביות בלבד, מהודקות במסמרות). בניגוד מוחלט למקובל – הסרן האחורי נמצא מעל השלדה ולא מתחתיה. הדבר מנמיך את מרכז הכובד של המכונית ותורם ליציבותה (גם מקום המצבר בסמוך לסרן האחורי תורם לכך), אך מקשה מאד על פירוקו בשעת הצורך. זו הסיבה מדוע דגמי P2 נראים תמיד כאילו הם מרימים את האף…
בלמים: בלמי גירלינג מכניים. תופים בקוטר "12, נעל אחת מובילה ואחת נגררת (ולכן רק הנעל המובילה משתתפת בפועל בבלימה, ורק היא נשחקת במהלכה). זהו מערך מנופים דיפרנציאלי המכיל מוטות משיכה ודחיפה, מסובבי תנועה ב 90 מעלות ויחידות התפשטות. אחזקתו מחייבת דייקנות במידות ובזוויות, ניקיון והעדר בלאי בחלקים – והבנה כיצד הוא פועל. כשכל אלה מתקיימים, אפילו הטסטרים במכוני הרישוי מתפעלים מיכולתו!
גלגלים: צמיגים במידת 17X4.75 הנכחדת. הם מורכבים על חישוקים מסוג easy clean בעלי שפה מופשלת, שאינה מאפשרת שמוש במשקולות איזון רגילות. כל בתי-המיסבים של הגלגלים מצויידים במוביל המאפשר החלפה נוחה במיוחד של הגלגל.
הגה: בורג וחלזון, מתוצרת בורמן-דוגלס. הבורג הוא קצהו של מוט ההגה עצמו. החלזון חרוט מגוש ארד גדול ופנימו הוא סליל בעל חמש התחלות. משטחו החיצוני משמש כמיסב החלקה בתוך תיבת ההגה. במרכזו משובצת טבעת פלדה מחוסמת המניעה את ה"תפוח" המרכזי, שצירו נתון אף הוא בתותב ארד. כמעט ואי אפשר להמנע מחופש במבנה כזה, ואי הקפדה על שימון וגירוז מביאים אותו במהירות לבלאי ולחופש רב בהגה. אין שום אפשרות כוונון. תיבת ההגה מחוברת לשלדה באמצעות מתאם בפרופיל C מפלדה גמישה, המתעוותת כאשר מסובבים את ההגה כשהמכונית אינה בתנועה. חיבור התפוח המרכזי למוט המשיכה הוא קפיצי, להמעטת רעידות ההגה עקב מהמורות ואבנים בדרך. מעין בולם זעזועים פרימיטיבי. הדבר זר לבוחני משרד הרישוי וגורר ויכוחים חוזרים ונשנים איתם, פעמיים בשנה. רובם נולדו רק אחרי שהמכונית כבר נסעה בבטחה עשרות שנים על הכביש וכופרים באפשרות שכך תוכנן ההגה הזה וכך הוא מתנהג כשהוא תקין. אבל בינתיים, עדיין נמצא לבסוף ביניהם איזה קשיש ותיק המאשר שכך אמנם צריך להיות.
מתלה: שני צירים קשיחים וכבדים, וארבעה קפיצי עלים אורכיים. ממש עגלה. בולמי זעזועים מטיפוס "ברך" מתוצרת Luvax-Girling. אין מוטות פיתול למניעת נטיית המרכב בסבוב (בדגמים 12, 14, 16 יש). מפתיע כמה הנסיעה חלקה בהתחשב בנתונים אלו. יתכן והסיבה היא היות המרכב כה כבד. הגורם הקובע בנוחיות נסיעה הוא יחס המשקלים בין מה שמתחת לקפיצים לבין מה שעליהם (sprung to unsprung ratio). אמנם הסרנים הגלגלים ותופי הבלמים כבדים – אך המרכב והשלדה כבדים נורא.
מערכת חשמל: תוצרת לוקס. דינמו 17.5 אמפר, מדגםc45pv , מתנע בנדיקס גדול מדגם M418G. שניהם היו בשמוש גם בלנדרובר סדרה 1. הווסת האלקטרומכני של הדינמו RF91 מווסת גם עודף מתח וגם עודף זרם, ומגביר את הטעינה אוטומטית אחרי התנעה וכשהאורות הגדולים מופעלים. מפלג לוקס מדגם DKY4A ללא קידום הצתה בואקום. סוללת ענק: 12 וולט ו 90 אמפר-שעה, כשהקוטב החיובי מחובר לשלדה (לטענת האנגלים, זה מקטין את הקורוזיה…).
בגלל הקיצוב שאחרי המלחמה, חווטה המכונית במוליכים רב גידיים שרובם אלומיניום ומיעוטם ברזל ונחושת. הבידוד היה מכותנה. חלק מהם היה יצוק בגומי סינטטי. לחווט כזה התנגדות גדולה, והבידוד האורגני מתבלה ונרקב במשך השנים. נאלצתי להחליף את רובו בחיווט מודרני בעל מוליכי נחושת ובדוד פלסטי. זאת היתה הזדמנות להוסיף סולנואיד להפעלת האורות הראשיים (“מגבר אור“ בפי העם), המופעל על ידי ממסר ממתג החלפת האורות שבהגה. מפל המתח על קוו ההזנה למנורות הראשיות הצטמצם ל 0.3 וולט לעומת כ 3.0 וולט במעגל המקורי. מכיוון שעוצמת האור יחסית לריבוע המתח, התחזקה עוצמתו ב 144/81 אחוזים.
בקר המאותתים האלקרו-מכניים מסוג "סמפור" נמצא על מוט ההגה וצמוד אליו. החזרת ההגה מסבוב מאפסת אותו.
ברבות השנים נעשה מסוכן להסתמך על הסמפורים כאיתות פניה בלעדי. הנהג בן-זמננו לא מזהה ולא מפענח את האיתות הזה. צריך היה להוסיף נורות איתות מהבהבות שרק חוויין מובן כיום. התעוררה בעיה, כי מעגל ההבהוב גורם לסמפורים לעלות ולרדת בקצב גבוה ולא בריא. הפתרון הוא חיבור נגד בערך 10 אוהם \ 10 וואט במקביל ל"אוטומט". זרם האחיזה של הסולנואיד קטן בהרבה מזרם המשיכה, והנגד גורם לכך שישאר בסולנואיד מספיק זרם לאחיזה. לעומת זאת הנורות אינן מסוגלות להאיר בזרם כה נמוך, כך שההבהוב נמשך.
מערכת דלק: מיכל בן 44 ליטר (11 גלון אימפריאלי), ממוקם מתחת לתא המטען. הוא מצויד בשני צינורות יניקה: הקצר מסוגל לינוק את 40 הליטרים הראשונים, והארוך גם את ארבעת הליטרים האחרונים המוגדרים כמיכל רזרבי. המעבר ביניהם מתבצע על ידי הפעלת ברז חשמלי (סולנואיד וכדור פלדה). משאבת הדלק מכנית, מתוצרת AC, ומופעלת על ידי מוט דחיפה מגל הזיזים. ניתן גם להפעיל אותה ידנית, בעזרת מנוף קצר המחובר אליה – להתנעה אחרי חניה ממושכת או שיפוץ.
המשאבה ממוקמת מתחת וקרוב מאד לסעפת הפליטה, וצינור הדלק נמשך כל הדרך מהמיכל למשאבה בשכנות לצינור הפליטה. הדבר גורם לחימום מוגזם של הדלק ו"לחסימת אדים" בימים חמים.
כדי לעשות את המכונית לשמושית בתנאי הנגב, נאלצתי לערוך שינוי. הוספתי משאבה חשמלית מתוצרת SU ומקמתי אותה ב"צד הקר" של המנוע, הרחק מסעפת הפליטה. העתקתי גם את צינור הדלק לצד הקר של השלדה. במשך עשרות השנים שחלפו מאז נערך השינוי, לא חזרה תופעת "חסימת האדים" אפילו בימי חמסין לוהטים. למשאבה החשמלית שני יתרונות חשובים: היא מאפשרת מילוי הקרבורטור בדלק לפני לחיצה על כפתור המתנע, ולכן ההתנעה קלה גם לאחר השבתה ממושכת. היא גם מאפשרת הוספת מתג סודי המונע שימוש במכונית למי שאינו יודע היכן הוא ואינו מבין את תפקידו. את המתג מקמתי במרכז לוח הבקרה – ואף על פי כן עוד לא נמצא המוסכניק שיתגבר עליו. להפך, המוסכניק המצוי נכנס למכונית, לוחץ על מתג המשאבה (זו מכונית אנגלית: להפעלה צריך למשוך מתג, לחיצה עליו גורמת לכיבוי!) – מנסה להתניע פעמים אחדות ואז מצלצל אלי ביאוש: האוטו שלך לא מתניע!
משאבות דלק SU מופעלות גם הן בעזרת סולנואיד וזוג מגעים, הנוטים להאכל במהירות. לכן שיניתי את המעגל כך שהמיתוג נעשה על ידי טרנזיסטור. השינוי נערך בתחילת שנות השבעים, ומאז פועלת המשאבה ללא דופי והמגעים כמו חדשים (ראו מעגל בנספח 1).
מערכת שימון מרכזית: תוצרת Luvax-Bijur.
יתרונותיה: קלה לתפעול, מונעת הצורך בגירוז סדיר של עשרות (!) נקודות.
חסרונותיה: נוטה להסתם (ואז נזקה גדול מתועלתה), גורמת ליצירת כתמי שמן בכל מקום שהמכונית חונה בו.
מרכב:
שלדת פח עבה. המושבים, לוח השעונים ומשקופי הדלתות עשויים מעץ. פנים המרכב מצופה כולו, סביב סביב, בשכבת לבד עבה וכבדה, לבדוד. ריפוד עור על כריות קפיצים. דלת תא-המטען, בה גם מאוכסן הצמיג הרזרבי, נפתחת למשטח נשיאה. תא המטען מצויד בחגורות עור לקשירת מזוודות או סלי פיקניק למשטח הנשיאה.
את הכסאות הקדמיים ניתן להזיז קדימה או אחורה. הכסא האחורי מצוייד במשענת יד מתקפלת. זוית ההגה ואורך הדוושות ניתנים לכוונון כך שיתאימו לנהגים נמוכים או גבוהים. פתחי איוורור לרגלים נמצאים ליד המושבים הקדמיים. גג-שמש נפתח מאפשר לצאת עם המכונית הזאת לספארי באפריקה. לפתח בגג מרזב עם ארבעה צינורות ניקוז, מגומי במקורם, העוברים בתוך הריפוד עד מתחת לרצפת המכונית. גם השמשה הקדמית, הניתנת לפתיחה, מצוידת בצינורות ניקוז דומים. כשהגומי הזה מתבלה במרוצת השנים, דולפים מימי הגשם לתוך הלבד וגורמים נזקים כבדים לכל סביבתם. לא מעטים מבעלי רובר P2 העדיפו לבטל את פתח הגג הזה כשערכו שיפוץ כללי. אני העדפתי לשמרו ולהחליף את צנרת הניקוז בצנרת פלסטית – בתקווה שתאריך ימים…
חלונות: ששה חלונות צדדיים. החלון האחורי מצויד בוילון הניתן לפתיחה או סגירה ממושב הנהג. לחלונות הדלתות "מגן גשם" עליון. השמשה הקדמית ניתנת להטיה קדימה כך שרוח מרעננת נושבת על הנוסעים בעת הנהיגה.
מגבים: חשמליים מתוצרת לוקס. ניתן להפעיל את מגב הנהג בלבד, אם רוצים בכך. ההפעלה נעשית על ידי לחיצה על כפתור המגב וסבובו. כל מגב מעוגן לתושבת קטנה הנמצאת בתחתית השמשה הקדמית. אם אינו מעוגן – תרים אותו הרוח הנושבת לתוך המכונית בעת פתיחת החלון הקדמי, ותגרום להפעלתו – אף כי החלון בכלל פתוח…
פגושים: הפגוש הקדמי עשוי מזוג קפיצי פלדה ניצבים. הם מחוברים זה לזה באמצעות מה שמכונה "מייצבים הרמוניים" המורכבים ממשקלות עופרת הנתונות בגלילי עץ…
ידיות הדלתות: גאוות רובר היתה עליהן. הן עוצבו במיוחד כך שמעילי הנשים לא יתפסו בהם. יחי העיקול הענוג המנצח.
המכוניות יועדה ללקוחות הזקוקים לאמינות ולמכובדות אבל אינם נורא עשירים. רופאים כפריים, מנהלי סניפי בנק בערי השדה, שופטי שלום. אנשים אלו חייבים להגיע למקום עבודתם בזמן, בכל מזג אויר, ברכב המשדר סמכות. לכן שתי התכונות החשובות ביותר של הרובר הן שהוא תמיד-תמיד מתניע בקלות ושגימורו מעיד כי גם הוא באצילים.
חלק רביעי: החודשים הראשונים.
בקיץ 1968 עבדתי בדימונה וגרתי בבאר שבע. הורי גרו ברחובות וחברתי בפתח תקווה. משפחתה התגוררה בדגניה ב' שבעמק הירדן. קונצרטים טובים היו בתל אביב (וגם ולאדק ומוסך שמואל). פרט לכך היו חברים בעין-גדי, יוטבתה ובירושלים.
הייתי תושב חדש בנגב, סקרן בלי גבול, וכל סוף שבוע בדרום הוקדש לטיולים בדרכיו – כבישים או שבילי עפר. הרובר נסע ונסע, נסע על העצים ונסע על האבנים. לא סתם נסע – כי כל הזמן גם ניסיתי לבדוק מה גבולותיו: כמה דלק הוא צורך? כמה מהר הוא יכול לנסוע? מה העליה התלולה ביותר שהוא מסוגל להעפיל בה? ומה הירידה המשופעת ביותר? האם יצליח לרדת את מעלה עקרבים? לעלות מסדום?
לאבא היתה אקסיומה כי מכונית היא חזקה דיה אם היא מצליחה לעלות את הקסטל ברביעי "בשוונג אחד" כהגדרתו. גם הרובר?
לרוע המזל הזדמן לי פעם לראות סרט על שיירת משאיות במדבר האוסטרלי. הסרט היה ישן כבר אז, בשנות הששים, והמשאיות נראו כמו עודפים ממורטטים של הצבא הבריטי (כבישי הארץ היו משופעים בהם בסוף שנות הארבעים ובשנות החמישים) מיני "טן-טונר" שטוח-אף ו"פורד קנדה" ששמשתו מוטה קדימה. האוסטרלים הסירו מהן כל מה שאינו ממש חיוני – למשל דלתות – כדי להקל במשקלן.
לפני כל דיונה היתה השיירה נעצרת, והמשאית הראשונה היתה מתחילה להסתובב לרגליה במעגל רחב, כשהיא הולכת ומגבירה את מהירותה עד לקצה היכולת. אז, כקלע דוד בשעתו, היה הנהג מיישר את ההגה בבת-אחת והמשאית מזנקת במעלה הדיונה הטובענית, עם כל האנרגיה הקינטית שצברה – ומצליחה להגיע לפסגה!
עוד גרוע מכך. בשנת 1965 השתתפתי בתרגיל גדול שערך צהל בין שבטה לבארותיים. נשלחתי לתקן תקלה בקשר אצל גדוד 132 שהיה פרוש על שרשרת גבעות ארוכה עם יתר החטיבה, עם התותחנים וההנדסה ושאר אגרופי הברזל. בג'יפ שלקח אותי לשם נהג יהודי קשיש, מוותיקי הבריגדה, ושועל מדבר מנוסה. כשהגענו למפקדת הגדוד פנתה אלי חיילת אחת ואמרה שהיא צריכה פיפי. גירדתי באוזן בקצת מבוכה והיא הסבירה כי היא מתביישת ולא רוצה שיציצו לה. אז שניקח אותה בג'יפ למקום בו תוכל להשתין בפרטיות. יצאנו לדרך, הנהג, החיילת ואני. בכל מקום שעצרנו צצו מיד מהאדמה כמה ראשי זכרים סקרניים, עם משקפות או עם עיני נץ, והחיילת אמרה "לא כאן". נסענו ונסענו עד שהגענו לערוץ עמוק למדי של ואדי קטן. הנהג הוריד אליו את הג'יפ בזהירות – והג'יפ שקע בחול. הגלגלים הסתובבו על מקומם וכל נסיון נוסף להמשיך בנסיעה היה עלול לגרום לו להתחפר עמוק יותר בחול. הנהג הותיק אמר באדישות "תראו" והכניס לרוורס. אחר התחיל לשחק בעדינות במצמד. לוחץ ומרפה, לוחץ ומרפה. הג'יפ התחיל להתנדנד על מקומו כנדנדה – קדימה אחורה, קדימה אחורה. וכמו בנדנדה, כשהיא נדחפת בקצב (ובפסה) הנכונים – הלכה משרעת התנודה וגדלה עם כל שחרור לחיצה. ואז, כשהתנודה כבר היתה כשבעים – שמונים ס"מ לכל צד – הוא לא לחץ יותר על המצמד והג'יפ זינק לאחור ואנו יצאנו מהבור. המופת הזה כבש את דמיוני וכמהתי לחזור עליו.
היש צורך להוסיף כי בסוף שנת 1967 נשלחתי לשמור על קבוצת אנשי מקורות שערכה סקר בארות ברצועת עזה? וכשהיינו צריכים לצלוח דיונה גדולה בסביבות רפיח, בטנדר ויליס-אילין החורק שלהם – הם רוקנו את כמעט את כל האויר מהצמיגים ונסעו על הדיונה כאילו היתה היא כביש?
לא. אין צורך. בערה בי התשוקה לנסות את כל זה בעצמי, עם הרובר הירוק שלי. פירקתי ממנו את הדלתות והרובר נעשה קל להפליא. השגתי סט גלגלים נוסף, ורוקנתי מהם את רוב האויר. אחר יצאנו לדיונות שמדרום לרמת-חובב של היום, לכוון חלוצה, לסדרת מבחנים. ירדנו מהכביש, החלפתי גלגלים ויצאנו לדרך. אחרי שנוכחתי כי גם דיונות אפשר לצלוח ברובר, נותרה עוד משימה אחת: לזנק מעל ערוץ וואדי קטן.
איכשהו, הקיץ נגמר, ולמרבה הפלא הרובר חברתי ואני נשארנו בחיים, והגיע עת המבחן השנתי (טסט). מסרתי את הרובר לשמואל, וכעבור שלשה ימים הוא צלצל ואמר שהרובר עבר, ושאבוא לקחת אותו. הפקידה מסרה לי את החשבון והרי הוא לפניכם:
| פרטים | תשלומי חוץ וחלקים | מחיר העבודה (ל"י) |
| הכנה לטסט – הסדרת פרונט סידור והחלפת קינפיז, תיקון תפוחי ההגה + החלפת תפוח מחודש למוט מרכזי + חיזוק אוזניות הקפיצים + החלפת מיסבים וגריז חדש | 75 | |
| פירוק אקס אחורי פיצוץ בוקסה לחץ + החלפת מחזיר שמן | 22 | |
| הסדרת בלמים והשטנגות כולל פירוק הגלגלים ושימון הצילינדרים + ניקוי ביטנות כללי + כיוון הבלמים ומוטות בלם | 40 | |
| רחיצת שסי ופרונט | 7 | |
| סט קינפיז ובוקסות | 28 | |
| מיסבים וקונוסים לגלגלים קדמיים | 23 | |
| סוויטץ אורות מקורי | 15 | |
| בוקסה לחץ לאקס אחורי | 11 | |
| מחזיר שמן | 3.10 | |
| 2 ספידבנד לגלגלים אחוריים | 12 | |
| תפוח מחודש | 12 | |
| תשלום כוונון אורות + גלגלים | 8 | |
| תשלום כניסה נוספת במשרד הרישוי (רציף קבלה) | 10 | |
| תשלום העברת טסט במשרד הרישוי | 20 | |
| תיקון סטרטר מיכנית כולל החלפת בנדיקס כולל פירוק והרכבה | 38 | |
| תשלום לחשמלאי סידור אורות גדולים + אור ריברס. | 12 | |
| תשלום תיקון פנצ'ר | 3.5 | |
| תשלום כיוון אורות על שעונים | 4 | |
| תשלום כיוון סרן קדמי על שעונים | 16 | |
| 215.60 | 149 | |
| תשלום צביעת מספרים רציף קבלה | 4.50 |
סה"כ 369.10 לירות.
משכורתי החודשית היתה אז 500 ל"י והיה לי ברור כמו שתים ושתיים (גם בלי להתעמק בשאלה מה ההבדל בין כוון אורות סתם ו"כוון אורות על שעונים") – שכך זה לא יכול להימשך.
כשיצאתי בדרך חזרה דרומה, קצת לפני צומת בית-דגון, הרגשתי בריח חריף העולה מן המכונית, כמו זה שהיו מדיפים האוטובוסים של "דרום-יהודה" כשירדו מירושלים. ריח של בלמים חרוכים. עצרתי בשולי הדרך והצצתי מתחת למכונית: תופי הבלמים היו אדומים כמו פלדה על גחלי הנפח. כך שמואל מעביר טסט. כך זה לא יכול להמשך.
חלק חמישי: פולחן הרובר.
ספר הלימוד הראשון היה חוברת ההדרכה לבעלים שהגיעה עם המכונית. היא היתה משופעת בהוראות נבונות ומופלאות – חלקן ממש מעורר השראה. ביחוד זאת: “כשאתה עובר ליד פלג מים צלול, עצור ומלא את הרדיאטור ממימיו".
שנים רבות חיפשתי לשוא את הפלג הזה בין באר-שבע לדימונה.
תחזוקת הרובר לפי הספרון הנ"ל היא טקס מסובך ורב שלבים.
בבוקר יש לבדוק את גובה השמן במנוע, ובמיכל השימון המרכזי, את גובה פני המים ברדיאטור ואת לחץ האויר בגלגלים, ולהוסיף כנדרש.
פעם בשבוע יש גם לבדוק את גובה וריכוז החומצה במצבר. לשם כך יש לפרק את המושב האחורי, לפתוח את רצפת המכונית שמתחתיו ולבחון את המצבר בעזרת שפופרת מיוחדת עם מצוף. זאת גם ההזדמנות לכוון את הבלמים. ה back-plate של כל גלגל מצויד בבורג מרובע במידת 3/16 BSF. יש לסובבו נגד כיוון השעון עד שנתקלים בהתנגדות עזה, ואז להחזירו "שני קליקים" בחזרה. יש לטפטף טיפת שמן אחת על כל אחד מפיני מערכת הבלמים המכנית (“שטנגות" בפי העם), על צירי ה"סמפורים" (המאותתים האלקטרומכניים הקבועים בעמודי הדלתות), ועל צירי הדלתות. יש לבדוק את הידוק ברגי הגלגלים ולוודא שהחופש בדוושת המצמד הוא בדיוק אינץ' אחד.
כל 0400 ק"מ: לבדוק שמן מנוע ולהוסיף כנדרש, לבדוק מים ברדיאטור.
כל 1600 ק"מ: להחליף שמן מנוע ולנקות את הפילטר. לבדוק גובה שמן בתיבת ההילוכים, בדיפרנציאל, בתיבת ההגה ובמאגר השמן המרכזי. לבדוק כיוון בלמים.
כל 3200 ק"מ: לפרק את המצתים, לנקות ולכוון את מרווחם. לבדוק כוון שסתומים. להחליף מיקום הגלגלים כולל הרזרבי. לערוך חיזוק ברגים כללי בגוף המכונית, כולל ברגי טבור הגלגל הקדמיים, וגירוזם הקפדני. יש לשמן את המפלג.
כל 6400 ק"מ: לנקות את הקרבורטור, לבדוק כיוון גלגלים ולשמן את הסמפורים.
כל 8000 ק"מ: להחליף את שמן תיבת ההילוכים והדיפרנציאל בעודם חמים, לנקות ולכוון את המפלג. כל 11200 ק"מ: אם המנוע מצלצל, להסיר לו את הראש ולנקות ממשקעי פחם.
כל 16000 ק"מ: לבדוק ולנקות את הדינמו. לחדש את רפידות הבלמים. להחליף את המצתים לדגם לודג' C14, לבדוק ולהוסיף שמן כנדרש לבולמי הזעזועים. ובאופן כללי: “יש לטפטף טיפות שמן אחדות על כל החיבורים החשופים כגון בקרת המצערת, ידיות הדלתות, צירי הדלתות וכו' לעיתים תכופות כל האפשר – לפחות פעם בחודש.“
כמעט כל מוסך שפניתי אליו בענייני רובר, וכל "מבין" במכוניות שנידב עצות, אמר: “מעצורי שטנגות? זה אסון. הם לא עוצרים. אי אפשר לעבור איתם טסט. אתה חייב להחליף אותם במעצורי שמן".
החוק בישראל דורש הסכמה בכתב של יצרן הרכב לעריכת שינוי מבנה במוצרו. ישבתי איפה וכתבתי מכתב למפעלי רובר בסוליהל, אנגליה, וביקשתי את אישורם.
את הכתובת העתקתי מספרון הרכב שהיה בידי. כעבור שבוע הגיעה אלי מעטפה נאה, בדואר אוויר, עם לוגו יפה של ויקינג נועז והקדשה למלכות אליזבט ואמה. במכתב שבתוך המעטפה כתב מהנדס הרכב T. Wall ממחלקת השרות הטכני, בנימוס, כי מערכת הבלמים של הרובר, מתוצרת גירלינג אנגליה, נבדקה על ידי מכון התקנים המלכותי בשנת 1934 ונמצאה עונה על הדרישות (תאוטת בלימה של 1g בכביש יבש). אי לכך מפעלי רובר אינם מאשרים המרתה בשום דבר אחר. "במעטפה נפרדת תמצא צרור הוראות אחזקה למכוניתך.”
ואמנם יחד עם המעטפה הראשונה הגיעה בו ביום גם מעטפה שניה, חומה וגדולה, ובה היו סטנסלים רבים של חוזרי תחזוקה לרובר P2 (כנראה נשלחו במקורם למוסכים המורשים). הוסבר שם כיצד לערוך ניקוי ראש ושיפוץ מצמד, איך לשקם את הקפיצים, את הקרבורטור, איך לכוון את המעצורים וכו' וכו'. קראתי הכל בעיון ומיד יצאתי לנסות במו ידי. חלק גדול ממה שקראתי בחוזרי רובר לא היה ברור לי כל צרכו. המונחים המקצועיים, הקיצורים המקובלים וכיו"ב. אבל בספרייה שלנו, בשכנות למדור "מכניקת הקוונטים" שכן המדור "מכניקה כללית", ובו מצאתי, לשמחתי הרבה, כמה וכמה ספרים מועילים. ראשית, סדרה שלמה של תדפיסים אדומי כריכה מתוך הmotor trader האנגלי של ראשית שנות החמישים, שסקרו בתמציתיות אך ביעילות דגמי מכוניות רבים מתוצרת אנגליה של אותם הימים, ביניהם רובר. לכל ספר בסדרה היו נספחים שכללו מילון מונחים מצוייר,קיצורים מקובלים והוראות תחזוקה ומפרטים של מכלולים. כי זאת יש לדעת: באנגליה של אותם ימים היו עשרות, אם לא מאות, יצרני רכב קטנים. רובם לא יכלו לייצר מערכות חשמל, או מעצורים, או קרבורטורים ואפילו לא מעלי חלונות משל עצמם. את אלו ייצרו עבורם חברות יעודיות כגון לוקס או סולקס, ורוב החברות האנגליות השתמשו במוצריהם. הסקירות בmotor trader כללו את כל דגמיהם ובהן גם את אלו המותקנים ברובר 10 שלי. רובר לא קימצו, והשתמשו תמיד בחלקים המובחרים ביותר מכל יצרן. עיון בספר פקח את עיני גם בנושא נוסף. עד 1947 השתמשו ברובר בברגים שמידותיהם BSF או WITHWORTH – והמדובר לא רק בתבריג אלא גם במשושי הברגים ובמפתחות המתאימים להם. בשנת 47 קיבלה על עצמה אנגליה את התקן הבינלאומי וכל התבריגים וכל המשושים השתנו. המוסכים נאלצו לרכוש כלים חדשים. עכשיו הבנתי סוף-סוף מדוע כלי העבודה הנאים והחדשים שקניתי, בין מלימטריים ובין אינצ'יים – אף פעם לא התאימו כמו שצריך לברגי הרובר – ומדוע ראיתי שבמוסך שמואל פותחים לעיתים אומים בעזרת פטיש ואיזמל… קריאה בספרים אלו הביאה לכך שלארגז הכלים שלי נוספו
כלים רבים ומדידים מסוגים שונים, והבנה שמכונאות היא אמנם עבודה גסה ומגושמת – אך דורשת דייקנות ונקיון של שענים. גם הבנתי מדוע כל בורג שהוחלף או הוסף אי פעם למכונית דורש כלי עבודה מסוג שונה. לאט לאט החזרתי הכל למצבו המקורי ומספר כלי העבודה הדרושים לתחזוקה ירד פלאים – ללא יותר ממה שסיפקה רובר עם המכונית.
תרומה חשובה לאוצר הידע שלי היה אייבור קרס. זה אולי ישמע לא מציאותי, או בלתי אפשרי, אבל זה קרו קרה. אייבור סיים את לימודי ההנדסה הכימית באנגליה מולדתו, והחליט, כקולומבוס ומגלן לפניו – לצאת להודו. אך שלא כמותם, שהפליגו מערבה באניות מפרש, בחר אייבור בגלגלים. ולכן הלך לו יום סגריר אחד (כי כידוע, אין ימים אחרים באנגליה) לגל הגרוטאות המקומי ורכש לו שם, בעבור 18 שטרלינג במזומן, רובר 14 מודל 1936. לא סתם רובר – אלא רובר קופה כחולה עם מרכב מאלומיניום, כזו עם מנוע 6 צילינדרים בנפח 1600 סמ"ק, גב גיבן, גלגלי שפיצים, כסאות עור נמוכים ופנסים ענקיים בחזיתה. ומכיון שאייבור התברך בראיה לטווח ארוך, הוא גם נרשם מיד לקורס מכונאות ולמד בו ביסודיות את אמנות אחזקת הרובר – ישר מפי הסוס. אחרי כן רכש סט מקיף של כלי עבודה וחלקי חילוף, כולם מקוריים ועשויים לדבר, כולם ארוזים כמנהג האנגלים בתיבות עץ חום ועטופים בנייר אריזה חום, העמיס אותן על הרובר – ויצא לדרך. הוא נסע לצרפת וממנה לשווצריה, איטליה, יוגוסלוויה, יוון ותורכיה – ושם עלה על אניה והפליג לחיפה. בנמל חיפה לא קיבלו יפה את פניו ואמרו לו כי הכניסה לארץ אסורה לרכב עם הגה ימני. איבור לא התבלבל וטען את הטענה הניצחת שהוא לא ידע מכך – לא אמרו לו. טענתו התקבלה והוא קיבל את אישור הכניסה, הזמני, לארץ. אחרי שטייל בצפון, ובמרכז – הגיע לבאר-שבע, ופגש בה את דליה היפה. בניגוד לקודמיו קולומבוס ומגלן – תכניותיו השתנו באחת. הוא התחתן עם דליה, התקבל אצלנו לעבודה והרובר שלו זכה למעמד קבע בארץ, כמכונית של עולה עם פס לבן. העבודה שיכנה את אייבור בשכנות אלי. כך השתנתה לפתע סטטיסטיקת ה P2 בבאר-שבע במאה אחוז, והתמקדה באותה נקודה גיאוגרפית בדיוק – בניגוד לחוקי הטבע. אייבור התגלה כאדם חביב וידידותי, אם כי התקשה ביותר בעברית אותה התעקש לדבר. מבחינתי, הדבר החשוב ביותר שרכש באנגליה היה הספר rover cars אותו השאיל לי לימים אחדים לפני 37 שנה, וטרם קיבל בחזרה. את הספר הזה שיננתי בדבקות, ומה שלא הבנתי בו שאלתי את אייבור. אייבור גם הביא עימו כלי עבודה יחודיים כגון מהדק המאפשר שחרור קפיצי שסתומים (בראש המנוע), ידית ואקום ומשחות להשחזת השסתומים ועוד, לימד אותי את השימוש בהם והשאיל לי אותם לפני ימים רבים. המופלא שבהם היה מצת שקוף, מזכוכית, שאיפשר ראית צבע הלהבה בתאי השריפה במנוע וכיוונון הקרבורטור עד שתהיה כחלחלה, אופטימלית. מפעם לפעם הייתי סר לחנות של סטימצקי ברחוב אלנבי בתל-אביב, ששכנה אז במרתף בקרבת בית הכנסת הגדול. שם מצאתי לא מעט ספרים העוסקים במכוניות ישנות ואחזקתן (וקניתי את כולם). יום אחד, בתחילת שנת 1973 ראיתי שם על המדף מגזין חדש ושמו classic cars. קניתי מייד את הגליון הראשון (לא שיערתי שגם הוא יהפך במשך הזמן לפריט אספנות ומחירו יאמיר בצורה מטורפת), ואף עשיתי לו מינוי. בו גיליתי כי קיים באנגליה מועדון של חובבי רובר ישנות: The Rover Sports Register. הצטרפתי אליו (זה לא היה פשוט אז: שלחתי טופס הרשמה למועדון וקיבלתי בחזרה הצעת מחיר פרופורמה. איתה הלכתי לבנק, מילאתי טפסים וכולם יחד נשלחו למפקח על מטבע חוץ. כשהתקבל ההיתר רכשתי באמצעותו שק בנקאי נקוב בלי"ש ואותו שלחתי לאנגליה). למועדון היה עיתון גדוש במידע רובר – חלקו טכני וממנו למדתי דברים שונים, וחלקו אפסנאי: פרט למחסן החלפים המרכזי של המועדון ביורק אשר בצפון אנגליה היו מספר אנשים פרטיים שהחזיקו מלאי משלהם והציעו אותו למכירה. אבל גולת הכותרת של מפעלי המועדון היתה הוצאת שני ספרים: הראשון ספר תחזוקה מפורט לכל סדרת המכוניות P2 ומדריכי תחזוקה ושיפוץ מלאים לכל אחת מהן. השני הוא קטלוג מצוייר של כל חלקי המכוניות משנות הייצור 39 – 47. הקטלוג מאפשר הזמנה נוחה של חלפים בדואר כי אפשר לנקוב במספר הקטלוגי ולא להסתפק בתיאור מעורפל של החלק המבוקש. אחרי שספרים אלה בידיך – אינך מבין כיצד אפשר בלעדיהם.
חלק שישי: עסקי חלפים.
עד מהרה התברר לי כי הרובר שמאחרי תחנת אגד בנס-ציונה, אף כי פרקתי ממנו כל מה שניתן לפרק, לא יענה על תיאבוני לחלפים ולא רק כי התברר שזה בכלל רובר 12, ולא רובר 10 בעל הגה ימני.
התחלתי לתור אחרי מקורות נוספים.
בבאר-שבע עצמה מצאתי שניים: אחד היה זרוק במגרש חניה בשכונה ד' בבאר-שבע. נותרו בו בעיקר ידיות לדלתות וכדומה.
השני היה גרוטאה מעוכה וחלודה בשולי דרך יעלים בשכונה ה', שאך נסללה אז ואחד הטרקטורים נקם בה אנושות. ממנה הצלחתי להציל, במאמצים כבירים, בלוק מנוע, תיבת הילוכים, דיפרנציאל ועוד כמה דברים קטנים. ניקוי יסודי של הבלוק הבהיר כי גם זה היה רובר 12.
ברחובות מצאתי רובר 16 שלם, זרוק בשדה קוצים בין הגמנסיה וארמון הנשיא. במהלך פירוקו התבררה סיבת היזרקו: שן שבורה בעטרת הדיפרנציאל. הדינמו, הסטרטר ועוד חלקים רבים זהים או כמעט זהים בשתי המכוניות, והם צורפו לאוסף.
במגרש גרוטאות בדרום תל-אביב גיליתי רובר 10 ועד שנעלם רכשתי ממנו סט צלחות לגלגלים.
בתווכו של שמואל רכשתי ב 300 לירות רובר 10 שלם, עם הגה שמאלי. “זה האוטו בו איבדתי את העין" אמר דוד, אחיו של שמואל שעבד גם הוא במוסך עד המריבה הגדולה ביניהם, מצביע על עין הזכוכית שלו. שמואל ודוד היו ה"יד הראשונה" במכונית הזו. כששקמו את המכונית אחרי התאונה, החליפו גם את ההגה הימני המקורי שלה בהגה שמאלי (וכל המכלולים הדרושים לשם המרה כזו נמצאים אצלי עד היום). המכונית היתה 30-374 (לשעבר ת-9098) שמספרה בסדרת היצור 958. אחר כך מכרו אותו לגברת מגנט מהרצליה פיתוח, וממנה הוא עבר לידי. כך הגיע אלי המנוע החילופי הראשון, 6110827, עם ניירותיו.
זמן לא רב אחרי כן קניתי רובר 10 נוסף, הפעם ב-200 לירות, מגברת טגנסקי הקשישה והנמרצת שנהגה בו זמן רב ברחובות תל-אביב.
זה היה 26-766 שמספרו בסדרת היצור היה 189 ומספר המנוע שלו 6110218 – הוא המנוע החילופי השני.
הורי לא הסכימו שאחזיק את המכוניות הישנות (בהמשך – גרוטאות) בחצרם, ואשווה לה מראה של שמורה אינדיאנית.
פירקתי אותן לחלקים ואת גופיהן שלחתי, בצער ובעזרת גרר לבית-העלמין למכוניות. להפתעתי המוחלטת, זמן לא רב לאחר מכן צץ לו הגוף של 26-766 בארגז חול של גן ילדים בשכונה ו' בבאר-שבע – ויתכן שהוא שם עד היום.
במלחמת יום-כיפור ואחריה שירתתי כטכנאי קשר במרחב שלמה. בטנדר פיג'ו 404 מגויס שוטטתי בכבישים הארוכים שבין אילת לשרם, ובין שרם לראס-סודר, לא פוסח על ודיות וקניונים בואכה סנטה-קטרינה. בין ציוד הקשר וכלי העבודה התגוללה לה בארגז המטען שלו גם ערימה גדולה של ז'ורנלים לועזיים שליקטה למען החיילים המסכנים רעיית הנשיא דאז, הגברת נינה קציר.
ואת מי פגשתי שם על גבעה קרחת אחת בלב הישימון? את מי אם לא ידידי ושכני אייבור קרס? שום דבר לא התאים בפגישה הזו לשום דבר: אייבור למדים, מדי צהל למדבר סיני, המדבר לרובה והרובה לאייבור. אבל אייבור הסתער בשמחה על הז'ורנלים ופוסח על כל הפליי-בוי למיניהם מצא בתחתית הערימה כמה מגזיני רכב אנגליים.
בפעם הבאה שהגעתי לאותה גבעה סיפר לי אייבור מה התרחש מאז: הוא נבר במגזינים ומצא מודעה של מישהו מדרום-אנגליה שמציע למכירה בוכנות לכל כלי רכב אפשרי, ובזול. אייבור זכר שמשלוח דברי דאר אינו עולה מאומה לחייל בשירות פעיל, ולכן החליט שזו ההזדמנות המתאימה לפתוח בקורספודנציה בין לאומית. על עטיפת חפיסת סגריות שהופשלה רשם שהוא מעוניין בבוכנות לרובר 14 מודל 36 במידה 40 אלפיות over-size, ושלח לאדונים ה. מ. בנטלי ושות' באנגליה.
כעבור ימים אחדים הביא הדואר הצבאי, לטוראי קרס אייבור ד.צ. 2451\ד על גבעת טרשים קרחת מעטפה חגיגית מאורכת, ושם, במכתב מודפס לפי כל כללי המשרד התקין עם לוגו נאה נכתב שהם מצטערים, בוכנות כאלה אין במלאי שלהם, אבל פניתו מועברת בזה לחברת רובר אשר בסוליהל, בתקווה שהם יוכלו לעזור, בכבוד רב. יומיים אחר-כך הגיעה מעטפה מכובדת לא פחות מרובר ובה כתוב בנוסח דומה שלצערם הם מכרו את כל מלאי החלפים שלהם לדגמים הקודמים לשנת 48 ללמבס בע"מ, בוודפוד גרין אשר במחוז אסקס, שלבטח תהיה מעוניינת לעזור ככל יכולתה לטור' אייבור מד. צ. טרשים, והם מפנים על כן את מכתבו אליהם. כעבור עוד יומיים הגיעה מעטפה מרשימה מוודפורד גרין המבשרת כי הם העבירו את עסקי הבוכנות הישנות ל F. W. Thornton & Son משרוסברי אשר באנגליה (עיר הולדתו של דרווין!). ועוד יומים עברו, ואחריהם הגיעה מעטפה מהנ"ל ובתוכה כתוב לאמור, בנימוס וביבושת משרדית, כי הבוכנות המבוקשות נמצאות אצלם במלאי ומחירן, כולל הפין והטבעות – 4 לי"ש ליחידה. אייבור אמר שלמחיר מופקע שכזה לא יסכים לעולם – ואני ישבתי בו במקום ושיגרתי להם מכתב ובו ביקשתי שישלחו אלי מיד חשבון פרופורמה.
מאז נשארתי בקשרי מכתבים והזמנות עם טורנטון ובנו, גם כשמחירי הבוכנות שילשו ריבעו ואף יותר מכך את עצמם עם השנים.
החל משנת 76 ביקרתי באנגליה באופן סדיר בענייני עבודה. כמובן שניצלתי את שעות הפנאי לסיורי רובר ולאיסוף חלקים. כך התוודעתי לכל אותם טיפוסים מוזרים עוד יותר ממני האוגרים בביתם טונות של ברזלים ישנים ויודעים היכן כל בורג נמצא ולמה הוא שייך.
מעל כולם נמצא מייק קולדרי, ג'ינג'י כרסתן, דברן וחייכן והבעלים של מטאור סרביס – המקור לחלפי רובר מלפני 1948. ניגשתי לדוכן שלו באחד הירידים והוא הזמין אותי מיד לבוא ולבקר בביתו – מחווה לא רגילה אצל אנגלים. המבצר שלו נמצא על גדות הטרנט, במבואות נוטינגהם של רובין-הוד וד. ה. לורנס. מספיק לומר לו את המספר הקטלוגי של החלק המבוקש והוא שולח אותו מיד בדואר. עם השנים הגיעה הקדמה אפילו אליו וכיום יש לו דואר אלקטרוני והוא מקבל כרטיסי אשראי – כך שהרכישה של חלפים קלה יותר מאשר אי פעם.
בכלל, הופעת האינטרנט וגוגל שינו את חוקי המשחק. כשנזקקתי לרצועות גומי איטום לחלונות וכיו"ב בשיפוץ הגדול של שנת 2002 רשמתי בגוגל rover p2 rubber ומיד עלה האתר SCOTT'S OLD AUTO RUBBER מפרוור של מלבורן אשר באוסטרליה. תוך שבוע היו בידי כל הגומיות הדרושות לשיפוץ כהלכתו.
ועכשיו נראה שאין מנוס, והגיע תור הוידוי.
יום אחד נקלעתי, במכונית של העבודה, לפנצ'ריה באיזור התעשיה של נס-ציונה. בעוד בעל-המקום טורח על הגלגל הנקוב, הבטתי אנוכי סביבותי. ומה עיני רואות? קורטינה, ישנה למדי, די דפוקה – עם פגוש של רובר!
“מה זה?” שאלתי "מה עושה כאן פגוש של רובר?”
“אוי, זה סיפור עצוב" אמר האיש. “לפני מלחמת ששת הימים קניתי רובר ישן והתחלתי לשפץ אותו. השיפוץ התקדם יפה, צבעתי אותו וריפדתי אותו ועשיתי ממנו בובה של אוטו, וכמעט גמרתי – ואז פרצה המלחמה. גוייסתי, ושוחררתי רק ששה חדשים אחריה. הייתי חיוני. וכשחזרתי, מה רואות עיני? מישהו גנב את ראש המנוע! התחלתי לחפש ראש אחר, זה לא פשוט, אבל בינתיים נגנבו עוד חלקים. אף פעם לא הצלחתי לתפוש את הגנבים – אני חושב שהם היו מגיעים בעיקר בימי שישי מאוחר בלילה. ובסוף זה כל מה שנשאר מהאוטו, הטמבון הזה, אז חיברתי אותו לקורטינה". דמעה נצנצה בעינו.
לא יכולתי שלא להתוודות, וסיפרתי לו את הסיפור כהוויתו. מבעד לדמעה ניצנץ חיוך על שפתי האיש אציל-הנפש. נפלנו איש על צוואר ריעהו, כמו שעשה עשיו כשפגש את יעקב אחיו, עשרים שנה אחרי שזה גנב ממנו את הבכורה.
ולבסוף, כמה מילים על ג'ופרי קנט.
עם מר קנט הייתי בקשר רופף שנים רבות. הוא היה העורך של בטאון ה RSR ואף יו"ר המועדון, וכפי שהסתבר בדיעבד – גם זה שהכניס את הירחון למעטפות החומות והדביק עליהן את הבול וכתב בכתב ידו העגול את הכתובת על המעטפה. כמה מנויים כבר היו לו בבאר-שבע, ישראל (למעשה שניים, כי גם אייבור קרא – אך רק אני שילמתי)? ולכן הוא הכיר את שמי – ואני את שמו.
בשנת 1999 נזקקתי נואשות לשני גלי-ארכובה במידה קרובה לסטנדרד ככל האפשר. תחת ידו של מייק קולדרי לא היו באותו רגע הגלים המבוקשים, והוא מסר לי את הטלפון של ג'ופרי והציע שאתייעץ איתו.
ג'ופרי התרגש מאד מצילצולי. בקושי עצר בדמעותיו. ואז אמר שהוא הולך לגלות לי סוד והשביע אותי שלא אגלה לאיש – ורק מפני שכבר הלך בינתיים לעולמו אני מגלה אותו כאן. “שמי האמיתי הוא בעצם אברם רוזנצוויג" אמר – ואיני מדייק בשם. “אסור שמישהו אחר מהמועדון ידע שאני בעצם יהודי כשר, כי הם כולם אנטישמים. אבל לך אני מגלה. ודע לך שיש לי אפילו בן בארץ – ברי קנט מקיבוץ בית-העמק!".
חלק שביעי: שיפוצים.
בשנים 68 – 71 נסע הרובר בארץ לאורכה ולרחבה – מדהב בדרום ועד החרמון בצפון, מימית במערב ועד עין-גדי במזרח. הוא נסע בשלג מבאר-שבע לירושלים דרך חברון ומבאר-שבע לדגניה, בחמסין, דרך הבקעה וכו' וכו' – אין ספור קילומטרים, על העצים ועל האבנים.
בנוסף לעבודתי בדרום לימדתי אז במכללה הטכנולוגית בבאר-שבע. בימי שלישי הייתי מסיים את העבודה באחת בצהריים, נחפז לרובר ונוסע למכללה בבאר-שבע, ללמד אלקטרוניקה גרעינית ושאר ירקות. ביום חורפי אחד ירדו גשמי עוז ונחל ממשית גאה והציף את הכביש. בימים ההם היה במקום "גשר אירי" דהיינו הכביש פשוט ירד לקרקעית הוואדי…
כשהתקרבתי למקום עמדו משני צידיו שיירות ארוכות של אוטובוסים, משאיות ומכוניות פרטיות. ארבעה יחפים עמדו ליד "סימקה 1000", קרובה מאד למים, וסחטו את גרביהם. “ניסינו לחצות" הסבירו לי "ושאתה לא תעיז. המכונית כבתה במים, כמעט נסחפה, ובקושי דחפנו אותה חזרה." למילים "אל-תעיז" היתה השפעה משכרת על מוחי הצעיר הפזיז והמטופש. התלמידים מחכים לי, אימצתי בחופזה רציונל, אסור לי לאכזב אותם. זכרתי כי הקרבורטור, המצתים המפלג וסליל ההצתה נמצאים גבוה מאד מעל המנוע, ואם רק אסע בהילוך ראשון, ובסל"ד גבוה – לא יחנק צינור הפליטה במיים. בלי לחשוב יותר מזה חזרתי למכונית שבסוף השיירה המזרחית שילבתי הילוך, עקפתי את כולם – ולמיים. מייד הבחנתי כי גובה המיים מגיע כמעט עד החלונות ושהלחץ שלהם (והמומנט שהזרם יוצר) יכול להפוך את המכונית! אבל כבר היה מאוחר מדי להתחרט. לחצתי בכל כוחותי על דוושת הגאז והרובר-ברווז משך קדימה – ויצא בשלום בגדה הנגדית, לקול תשואות סוערות של יושבי האוטובוסים וצפירות המשאיות.
המחשבה הראשונה שחלפה בראשי היתה לבדוק את הבלמים, ואמנם לחיצה על דוושת הבלם לימדה כי אין בלמים בכלל. הרפידות התכסו בטין חלקלק ורטוב שמנע בלימה. מזל שכל הדרך מואדי ממשית לדימונה היא בעליה… משכתי בידית בלם-היד בתקווה שהוא יתחמם ויתיבש, ואמנם, אחרי דימונה החלו הבלמים להראות סימני חיים מחדש. אולם הצצה על מד גובה הדלק במיכל הראתה שהדלק יספיק בקושי רב עד למכללה. כבר רבע לשתיים והתלמידים מחכים…
בשתיים וארבע עשרה דקות ועוד משהו הגעתי למכללה בבאר-שבע. כל תלמידי כבר ישבו בתחנת האוטובוס שלידה. “הגעתי!" אמרתי להם ובינתיים נהייתה השעה שתיים ורבע. “רבע שעה אקדמאית!" ענו הם לי בעיניים נוצצות מחדוות ניצחון. היום לא יהיה שיעור.
כמאתיים מטר לפני תחנת הדלק כבתה המכונית. את שארית הדרך אליה עשיתי ברגל, עם פחית ביד, ומחשבות עגומות עלי ועל תלמידי בראש.
לא פלא איפה שבתום שנים אלו היה מצב הרובר ביש. ענני עשן עלו ממנו. תלמידי טענו שכבאית צריכה לנסוע בעיקבותיו, כי הוא נראה כמו שריפה ממונעת. בתחנת הדלק היתי מבקש למלא שמן ולבדוק דלק.
הגיע הזמן לשיפוץ כללי.
בדיוק באותו זמן הודיע לי פיליפ פייביש שהוא נואש סופית מהסיטרואן 11B שלו, traction avant מודל 49 והוא מוכן לתת לי אותה במתנה, חינם אין כסף. לא הסכמתי, והתפשרנו על חמש-מאות לירה בעשרה תשלומים. הרעיון היה שהסיטרואן (שמהרבה בחינות הוא ניגודו של הרובר עלי אדמות) ישמש אותי בתקופת השיפוץ.
את המודל שעמד לנגד עיני שאבתי מכתבה שקראתי פעם באחד העיתונים (במחנה?) על הגנן של עירית ירושלים.
כבר כשהייתי סטודנט באוניברסיטה העברית, בשנות הששים, כבש הלה את תשומת ליבי בפורד הישנה שלו, מודל A, בה היה משוטט בעירו מגן לגינה.
בכתבה סופר כי ברשותו שלשה מנועים: אחד מורכב במכונית, השני משופץ ומוכן להרכבה ברגע שידרש והשלישי נמצא בשיפוץ.
החלטתי ללכת בדרכו. המנוע הבלוי ישמש אותי עד הרגע האחרון, והמנוע שישופץ יהיה 827, לשעבר של גב' מגנט, לשעבר של דוד ושמואל שבילי.
על התות הגדול שבחצר הורי במוסקוביץ' 14 ברחובות ניתלתה גלגלת ובעזרתה נשלף המנוע הכבד מתוך 30-374.
הוא פורק במקום, חלקיו נשטפו נוקו ונבחנו בקפדנות.
התברר כי קוטר הבוכנות הוא כבר 60 over-size. הקוטר הנומינלי הוא 66.5 מ"מ, והקוטר דאז היה 68 מ"מ.
סט הבוכנות היחיד שהיה בידי שמואל, עם בוכנות גדולות מאלה – היה כבר בוכנות לרובר 12. קוטרן הנומינלי 69 מ"מ, אבל אלו שבידי שמואל היו כבר 20 over-size דהיינו 69.5 מ"מ. כל יתר מידותיהם זהה לבוכנות של רובר 10. לשמואל היה גם סט בוכנות 20 over-size לרובר 10, ושרוולים (סליבים) תואמים. ונתעוררה לכן דילמה – מה בדיוק עושים.
הפנתי את השאלה לרובר, והרי מה שהכתיב, ב 21.11.69 המהנדס טי. וול למזכירה אל. די. בנידון:
“אנו סבורים שחייבת להיות טעות כלשהי בקביעתך שהמנוע כעת הינו "060. מעל-המידה, כי זו המידה המירבית המוחלטת אליה ניתן להגדיל את קדח המנוע, כדי שיוכל להכיל שרוול.
מעיון בדפי המידע המצורפים תוכל להבחין כי הבוכנות הזמינות במקור היו במידות "015. , “020. , “030. , ו "040. מעל המידה, והאחרונה היא הגבול העליון המותר להגדלת הקדח, אלא אם כן המטרה היא הכנסת שרוול. לא יתכן להגדיל את קדח המנוע שלך מעבר לכך בבטחה, כדי שיוכל להשתמש בבוכנות של רובר 12.“
איתן מ"איתן שיפוץ מנועים" ברחוב סלמה על גבול תל-אביב יפו דחה טענות אלה מפי הגבורה בחיוך מבטל.
“סמוך עלי" פתח בנימה אוטוריטטיבית "ותשמע מה אתה עושה. הבוכנות הגדולות האלו יתנו כוח למכונית שלך, וסוף-סוף היא תסחוב כמו בן-אדם".
החלטתי לערוך מחקר קטן. ראשית, נתוני פתיחה. הטבלה הבאה מפרטת את מספר המכוניות שיוצרו בין השנים 1939 ו 1947
(בשנים שקדמו להן היו סוגי מנועים שונים במקצת ולכן התעלמתי מהן).
| שנה | רובר 10 | רובר 12 |
| 1939 | 3300 | 3800 |
| 1940 | 1213 | 1036 |
| 1946 | 1340 | 1784 |
| 1947 | 1300 | 3720 |
| סה"כ | 8053 | 10030 |
רוב חלקי המנוע, כולל גלי הארכובה והזיזים, השסתומים ומערכותיהם, משאבת השמן וצינור חלוקת השמן, המכסים השונים – זהים בשני המנועים ובעלי אותו מספר קטלוגי. התקשתי קצת להאמין שבסדרות יצור כל כך קטנות דווקא מידות בלוק המנוע (להוציא קוטר הקדח, שנקבע אחרי היציקה) יהיו שונות.
אבל לא הסתפקתי בכך. ברשותי היו שני בלוקים של רובר 12 ויכולתי להשוות ביניהם לבין הבלוק של רובר 10. לא הצלחתי למצוא הבדלים. מיקום פתחי מעברי המים העליונים זהה בשני הבלוקים מה ששולל את האפשרות שקוטר הדופן החיצוני של הקדח שונה.
לבסוף מצאתי את תאריכי היציקה טבועים בגוף היצוק. כולם היו מאמצע מאי 1945 – חודש הניצחון על היטלר. קשה היה להאמין שהשתמשו בו זמנית, בסדרת יציקות אחת, בשתי תבניות נפרדות, השונות זו מזו בפרט אחד בלבד. אם כי – אולי בכל זאת? הרי אלו אנגלים.
החלטתי להמר על איתן.
עברו 38 שנה והרובר גדל-הבוכנות נסע מאות אלפי קילומטר מאז – אם כי, וחובה לציין זאת ביושר – אף מנוע לא האריך במיוחד קילומטרים בין שיפוץ לשיפוץ.
איתן יצק מיסבים חדשים בטלטלים והשחיז את גל הארכובה. גם השחיז את ראש המנוע והתקין תושבות חדשות לשסתומים. שמואל סיפק מובילי שסתומים, "ציר חדש לפסנתר" ושרשרת טימינג. גם מיסבים ראשיים חצי-מוגמרים, אותם חרט איתן in-line למידה המתאימה. רוזלס החרט התאים למנענעי-פסנתר-השסתומים תותבי ארד חדשים, מילא את החלקים השחוקים במשאבת השמן – והשחיז את המכסה שלה. בבית-המלאכה "הטיב" שברחוב יסוד המעלה 62 יצרו שני גברים שריריים וחטובים את כל האטמים הדרושים לשיפוץ, לפי דוגמאות שהבאתי להם. משאבת המים, הדינמו והסטרטר פורקו ונוקו, החלקים הבלויים הוחלפו ונחרטו מחדש, וכמוהם המפלג והקרבורטור. גל הארכובה החרוט ועליו גלגל התנופה והמצמד נלקחו לאיזון דינמי בראשון לציון.
בהמשך פורקה תיבת ההילוכים לחלקי חלקיה. כל המיסבים והתותבים הוחלפו, שחיקות בצירים מולאו ונחרטו מחדש.
גם הדיפרנציאל שופץ בצורה דומה תוך ציות קפדני להוראות של רובר. רוזלס יצר את כלי המדידה הדרושים לפי התרשים של רובר. השיניים נצבעו בכחול פרוסי כדי לבדוק את מידת חפיפתן, שקוזזה למידה הנדרשת בעזרת "שימסים" בעוביים שונים שיוצרו גם הם על ידי צוות "הטיב" הגאה.
גל ההינע אוזן וה"צלבים" הוחלפו בחדשים. אוגני הציר האחורי הושחזו, וכל המיסבים ואטמי השמן הוחלפו. גם הקפיצים וציריהם זכו לטיפול הולם והוחלפו כולם בחדשים שסופקו על ידי שמואל, שדאג כי יחוסמו ויוקשו כיאות.
לבסוף, כשהכל היה מוכן, פורק הרובר לגורמים והחלקים הישנים הוחלפו במחודשים. לעזרתי נחלצו אילן קראוקר וגם אחד מנהגי המשאיות שלנו שהוביל את החלקים הכבדים מתל-אביב לעומר.
הרגע הגדול הגיע, והרובר המחודש התניע ויצא לנסיעת מבחן. צליל המנוע היה מתוק באזני והסחיבה מופלאה (זה כמובן עניין יחסי. כי כשפורק, בהמשך, המנוע הישן המעשן נמצא כי נשאר בו אז רק צילינדר אחד מתפקד).
אחרי כל אלה נמסר הרובר למוסך "המומחה" בבאר-שבע לפחחות כללית וצבע. הצוות של פנסו אהרון שייף את כל הצבע מהמכונית (ובאותה הזדמנות גם את הכרום מכמה אביזרים שהיו עד אז מצופים בו), פירק ממנה את הכנפיים ואת המדרגות וצבע הכל מחדש: את הגוף בירוק ואת הכנפיים בשחור. הגריל נמסר לציפוי באחת המאורות שברחוב הרצל בתל-אביב.
אף רפד בבאר-שבע לא היה מוכן לקחת על עצמו את ריפוד הרובר. קשה מדי ולא משתלם. אי-לכך מסרנו אותו למרפדיה ברמאללה. השנה היתה 1972 והנסיעה לרמאללה לא היתה כרוכה בסכנה או קושי כל שהם. פעמים אחדות נסעתי לשם דרך חברון במונית פלסטינאית שהיתה תמיד נעימה וידידותית. כמעט חודשיים שהה הרובר ברמאללה וחזר משם מרופד בסקי שחור, שיתמזג היטב בכתמי שמן מנוע פוטנציאליים, עתידיים.
ואז פרצה מלחמת יום-הכיפורים.
פרק שמיני: אמצאות וחידושים.
בסוף שנות השמונים השלים הרובר עשרים שנה בידי וארבעים שנה על הכביש. הוא כבר היה עייף ופנסיונר למדי. הגיעה השעה לשיפוץ מנועים יסודי ומתקדם, שיערך לפי מיטב השיטות וביסודיות – לא בחופזה.
בשני המנועים היה גל הארכובה מושחז הרבה יותר ממה שרובר מתירה (60 אלפיות אינץ' בפועל לעומת שלושים מותרות) וקוטר הצילינדרים עלה על המותר בערכים דמיוניים.
לטובת הצילינדרים השגתי שרוולים מתאימים שיחזירו את הקוטר לערכים נומינליים. אולם מה עושים עם גלי הארכובה? אחרי חקירה ודרישה בכתב ובעל פה הגעתי למסקנה כי הדרך הטובה ביותר היא צפויים בכרום קשה והשחזתו לערכים נומינליים. האחים שחר מבני-ברק הסכימו לקחת על עצמם את המלאכה. הם גם הציעו להחליף את המיסבים היצוקים בעלי שכבת המתכת-הלבנה הרכה והעבה במיסבי קליפה מתאימים. הסתבר כי מיסבים של טריומף 1300 יתאימו בדיוק – אם כי נזדקק לזוג מיסבי קליפה במקום כל מיסב יצוק. מכיוון שמיסבי קליפה דקים בהרבה ממיסבים יצוקים הם יכולים לעמוד בעומסים גבוהים יותר, ואם נאזן איזון דינמי וסטטי את החלקים הנעים נוכל להגדיל את קצב סבוב המנוע ולהפיק ממנו הספק רב יותר. כמובן שלחגיגה צורף סט בוכנות חדשות, על טבעותיהן ופיניהן.
הם גם התאימו תושבות חסינות חום לשסתומים שבראש המנוע, החליפו את כל המובילים השחוקים, ואני השקעתי זמן רב בליטוש תאי השריפה בעזרת אבני משחזת קטנטנות, ובהשוואת נפחיהם. גם סעפת היניקה לוטשה ונוקתה, כדי להבטיח זרימת תערובת לא-מופרעת לתאי-השריפה.
כל חלקי המנוע האחרים זכו לטיפול דומה: משאבת המים ומשאבת השמן פורקו לחלוטין, משטחיהן הושחזו, חלקים שחוקים מולאו ונחרטו למידה, המיסבים האטמים והתותבים הוחלפו בחדשים. גל הזיזים נשלח לחברה בחיפה המתמחה בחידוש גלי זיזים, ה"פסנתר" זכה לציר חדש. כל ה"מנענעים" מולאו והושחזו וצוידו בתותבי ארד חדשים. מרימי השסתומים נבררו בקפידה ורק הטובים ביותר מהאוסף הגדול נכללו במאושרים שזכו להכנס מחדש למנוע. ביחס דומה זכו המצמדים וגלגלי התנופה. כל חלקי המנוע נוקו יסודית במסירי שומנים וחלודה ובמברשות ברזל, וכך גם נעשה לדרכי המים שהוסרה מהם אבנית בת דורות. משטחי האטימה צוחצחו בברזלית (כמצוות שמואל) ואטמים חדשים הוכנו משעם ו"ויקטוריט". ה"שרלק" הישן הוחלף ב RTV לטמפרטורה גבוהה.
המנועים הורכבו לפי כל הכללים, בעזרת המכשירים המתאימים. המרווחים נמדדו בעזרת plastiguage filler-gauge רעיהם וידידיהם ולא הרפתי מהם עד שכולם חזרו לערכיהם הנומינליים בספר. מנוע אחד הורכב במכונית והשני נשמר במחסן לעת הצורך.
אחרי ההתנעה זמזם לו המנוע החדש כמכונת תפירה וסחב כחמישים סוסים. לחץ השמן והטמפרטורה היו למופת.
ואז נסענו לתצוגה של מועדון החמש בחניון של מלון הילטון בירושלים. בכניסה לירושלים החלה להשמע דפיקה במנוע, כנראה תקלה באחד המיסבים.
הייתי עסוק אז למעלה ראש בעבודה ובקושי מצאתי זמן להחליף מנוע במנוע. את בדיקת התקלה וסיבתה דחיתי להזדמנות אחרת.
בשנות הסער והפרץ 68 – 71 נסע הרובר יותר משלושים אלף ק"מ בשנה, ולא היתה פינה בארץ ובשטחים שלא הגיע אליה. בשנות השבעים נסע הרובר כעשרים אלף ק"מ בשנה, להוציא את שנת ההשבתה של השיפוץ הגדול (1972). בשנות השמונים ירד המינון לכעשרת אלפי קלומטר בשנה, ובשנות התשעים הוא הצטמצם לכדי כאלף ק"מ בשנה, בעיקר בבאר-שבע וסביבותיה.
וכך הגיע פסח 99 וביקור מועדון החמש בבירת הנגב. לקראת התצוגה והמסע לערד ריאינה אותי כתבת אחד המקומונים ושאלה מה לדעתי התכונה המאפיינת יותר מכל את הרובר: “האמינות" עניתי ללא היסוס "הוא מעולם לא איכזב אותי".
למחרת, כשהעיתון עם הכותרת "הוא מעולם לא איכזב" מונח על אחד המושבים, נסענו בראש שיירת המועדון לערד. ממש בצומת תל-ערד החלו להשמע דפיקות איומות מן המנוע והוא השתתק. המכונית התגלגלה בשארית תנופתה לצד הדרך, ונעצרה.
בדיקה קלה בעזרת ה"מנואלה" הראתה לי כי המנוע תפוס ואין שום תרופה פשוטה למצב.
כל מכוניות מועדון החמש חלפו על פנינו. כל מכונית עצרה והציעה עזרה ועיצה, כל עיצה שנונה ומחוכמת מקודמתה. אחרי שהשיירה הגיעה בלעדינו לערד הגיעו למקום אחדים מתלמידי לשעבר מודאגים ומאוכזבים. "לעולם לא היינו מאמינים שלך ולרובר זה יקרה" הם אמרו.
עם הפירוק התברר כי גל הארכובה, זה המצופה והמלוטש – נשבר. הוא עכשיו שתי חתיכות ולא חתיכה אחת. גם גל הארכובה השני היה סדוק, ממש סדוק. גם מיסבי הטריומף הדקים לא נראו טוב.
השאלה הראשונה היתה – מה עושים עכשיו? כל שלושת גלי הארכובה הנוספים שנותרו ברשותי היו אף צנומים ושחוקים מאלו שנבחרו לצפוי. האם גורלו של הרובר נחרץ לכליה? האם ישנם בעולם עוד גלי ארכובה לרובר 10/12 שלא נחרטו ונשחקו עד תום?
דבר ראשון צלצלתי למייק קולדרי, בפאתי נוטנינגהם, אנגליה. “לא נשאיר אותך בלי רובר" ענה מייק לאחד מטובי לקוחותיו "אמנם לי עצמי אין גל ארכובה – אבל אנחנו נשיג אחד כזה במצב טוב, ואם יהיה צורך, נשיג אפילו מנוע שלם".
מייק הפנה אותי לג'ופרי קנט (ועל השיחה איתו כבר סיפרתי) שהפנה אותי לטוני אוונס שהפנה אותי לטוני סימונס, האחראי על מחסן החלפים של ה RSR ביורק, צפון אנגליה.
שם נמצאו שני גלי ארכובה לא-משומשים אבל קצת חלודים. כמו-כן נמצאו שם הרי ג'ונסון ובנו שהסכימו להביא את הגלים הללו למצב עבודה ולייצר שני סטים של מיסבים יצוקים כנדרש.
את המשלוח ארצה אירגן ינאי שאמנם התייצב בפתח ביתי כעבור חדשים אחדים עם ארגז עץ נאה ובו שני גלי ארכובה מלוטשים ונוצצים, שלשה סטים של מיסבים ראשיים, ושני סטים של טלטלים שבהם יצוקים מיסבים חדשים ממתכת לבנה.
לרוע המזל לא השגיח הרי בעובדה חשובה: במרוצת סדרת היצור הקטנטנה שלהם ייצרו רובר שני סוגי טלטלים: על האחד הוטבע H59026 ועל השני 59026X. יש ביניהם הבדל משקל בן 50 גרם מתוך כ 700. והרי יצר סט אחד המכיל שלשה H59026 ואחד 59026X, והשני ההפך, כמובן. בגלל הפרשי הקוטר בן שני הגלים אי אפשר היה לתקן את המעוות על ידי החלפה בין הטלטלים החריגים.
באוסף הטלטלים שלי מצאתי טלטל בעל "הרבה בשר" המתאים להתאמה לסט "הכבד". את הטלטל הכבד שהיה צריך להשתייך לסט הקל מסרתי לרוזלס, יחד עם משקל אלקטרוני מדויק, והוא, בהרבה סבלנות, גילח אותו פה ושם עד שמשקלו השתווה למשקל יתר השלושה.
את חריטת הטלטל העודף, התאמת המיסבים הראשיים (in line boring) וחריטת הצילינדרים מסרתי שוב לאחים שחר.
את המנועים הרכבתי הפעם במוסך "מושון" בבאר-שבע שנאות להעמיד בו פינה לרשותי ואף לעזור לי בפעולות קריטיות כהכנסת הבוכנות לצילינדרים.
מנוע אחד החזרנו למכונית, ואת השני בדקנו על תושבת בדיקות מיוחדת שהכינה "מסגריית רפי" עבורי. על תושבת זו, שצוידה ברגליים עם בולמי זעזועים, הורכבו פרט לגומיות הנכונות לתמיכת המנוע גם רדיאטור וצינור פליטה. המנוע הותנע ונבדקו לחץ השמן, הוואקום והטמפרטורה – וכמובן, הקולות שהוא משמיע. אחרי שהכל נמצא תקין ומשביע רצון עד התמוגגות – הוחלף השמן לשמן איחסון, המים רוקנו והמנוע הושם במחסן – שם ישכון עד שיקרא לדגל – ואם יהי רצון יתמהמה זה ויתמהמה.
חלק תשיעי: הרובר באמריקה.
בשנת אלפיים היתה בועת ההי-טק בשיא ניפוחה ואפילו עלי לא פסחה.
איציק, עמית לשעבר מבאר-שבע פתח את החברה שלו במרילנד אשר בארה"ב וגייס עובדים מהגורן ומהיקב. אפילו אלי פנה, ומאחר שהמשימה שלי בבאר־שבע הסתיימה – נעניתי. איציק אמר שהוא לא מוכן להפריד ביני ובין הרובר. אני אמרתי שאי אפשר להפריד בין הרובר ומחסן חלפיו וכלי העבודה שלו.
וכך הגיעה כעבור ימים אחדים משאית גדולה ובחורים זריזים שהיו עליה ארזו יפה את כל הכבודה ושלחו אותה למחסן בגנות, אליו הגיע הרובר בכוחות עצמו. שם ניתקו את המצבר ורוקנו את מיכל הדלק ודחפו את הרובר לארגז מתכת גדול הנקרא מכולה.
אני פניתי למשרד הרישוי בחולון והפקדתי בו את הרשיון. לא שכחתי לציין כי המכונית נשלחת לחו"ל. קבלתי תעודה כי הרשיון הופקד והרכב אינו רשאי לנוע בכבישי ישראל.
כעבור שלשה חדשים, כבר בביתנו החדש אשר ברוקוויל, מרילנד, קבלנו הודעה טלפונית כי המכולה הגיעה לנמל בולטימור, ועלינו למסור הצהרה ומסמכים המעידים על כך שהרכב זכאי להכנס לגבולות ארצות-הברית.
התברר כי קיימים סייגים וסייגי-סייגים על יבוא מכוניות לארה"ב, ועליהן לעמוד בתילי-תילים של תקנות הנוגעות לזיהום אויר ובטיחות. עיני חשכו והלכו ככל שהוספתי וקראתי בהן. הרובר לא עמד באף אחת מהן, וגם לא היה שום סיכוי שיעמוד. רק כשהגעתי לשורה התחתונה מצאתי שכל הנ"ל אמור על מכוניות שגילן עשרים וחמש שנה ומטה. מכוניות בנות עשרים וחמש ומעלה פטורות מכל המגבלות גם יחד.
כעבור ימים אחדים הגיעה המכולה לבית ברוקוויל. חיברתי מחדש את המצבר, שפכתי מעט דלק – נטול עופרת! – למיכל, והרובר התניע, וירד לאט-לאט בזהירות מהמכולה אל גרז'ו החדש. עכשיו הוא היה מכונית אנגלית באמריקה, עם צמיגים מלאים באויר מארץ הקודש.
התברר כי במרילנד קיים מעמד של "מכונית היסטורית". בעליה זכאים ללוח רישוי מיוחד, לתשלום אגרת רישוי בסך 25 דולר לשנתיים, ולדמי ביטוח מופחתים (בתנאי שלא תיסע יותר מ 4000 מייל לשנה). והעיקר: מכוניות היסטוריות פטורות ממבחן שנתי. הטקס הכסתח"י הצבוע החביב כל כך על קברניטי התחבורה בישראל.
עם תעודת ביטוח (ממשרד ביטוח המתמחה בביטוח מכוניות עתיקות) ניגשתי למשרד הרישוי המקומי כדי לקבל את לוחית הזיהוי.
הפקידה השחורה השמנה מעבר הדלפק נהמה: “title!“
לקח לי קצת זמן להבין כי היא מבקשת תעודה המוכיחה כי אני אמנם בעלי הרכב.
אמרתי לה כי יש לי תעודות כאלה, אך הן כולן בעברית, ממשרד הרישוי הישראלי. “עליך לתרגם אותן לאנגלית, ולהביא אישור מהקונסוליה הישראלית בוושינגטון שהתרגום אמנם מדויק ונאמן למקור".
תרגמתי איפה את התעודה המעידה על כך שהרשיון הופקד, כולל השורות האומרות "זה אינו רשיון רכב“, ו“ל 26069 אסור לנוע בדרכים". תמורת 5 דולר החתימה הקונסוליה בוושינגטון את התרגום הזה בחותם שעווה גדול והצמידה למקור.
חזרתי לפקידה במשרד הרישוי שבחנה אותו בקפידה ומצאה שהוא עונה על דרישותיה. היא הנפיקה לי רשיון למרילנד והבטיחה כי שלט הזיהוי יגיע תוך ימים אחדים בדואר. ביקשתי בנימוס את טופס הפקדת הרשיון בחזרה.
הפקידה הביטה עלי בזוועה, מזועזעת, כאילו הצעתי לה הרגע לבצע שוד מזויין, ונבחה: “לא! בשום פנים ואופן!“.
הסתבר כי באמריקה אסור להחזיק בשני title לאותה מכונית. זה פלילי – והיא הרי התייחסה לטופס ההפקדה העלוב שלי כאילו היה title. לו רק ידעה את הקלות בה ניתן להשיג העתק לטופס הזה…
כך התחילה דרכה החדשה של הרובר כ L34 223 historic.
אחת ההבחנות הראשונות שעשינו היתה ההבדל בין תגובת הנהג הישראלי המצוי לתגובת האמריקאי המצוי למראה מכונית לא שגרתית הנעה על הכביש (אם כי חובה לציין שרוקוויל שורצת ישראלים עד כדי כך ששכונה שלמה בה נקראת "הקיבוץ").
הישראלי (בפרט אם הוא על קטנוע) יתחב את ראשו לתוך מכוניתך וישאל משהו מעין "אתה מוכר?" בטוח שמעולם עוד לא שמעת את השאלה הזו. האמריקאי אפילו לא יצור קשר עין, אלא אם כן הוא שחור. זה יפנה אליך בשמחה ובחיוך וישאל "אתה מוכר?". הבדל אחר הוא שניתן היה להחנות את הרובר ברחוב ללא חשש שיפורקו ממנו ויגנבו צלחות הגלגלים או מכסה הרדיאטור, או שסתם ישרט, מחדוות הוואנדליזם.
יום אחד החנתי את הרובר בחניה של "הום דיפו" גדול ונכנסתי לקנות משהו. כשיצאתי חיכה לי על יד המכונית איש מין הישוב בעל מבטא אנגלי, הביע את שמחתו שהוא רואה מכונית נדירה כזו נעה בסביבה והציע לי להצטרף למועדון ה MG המקומי, המקיים פעילויות שונות כולל תצוגות של מכוניות אנגליות ישנות.
בפגישה הראשונה בה השתתפתי הרצה ג'והן טוקר על שיפוץ מכוניות בריטיות ישנות במפעלו vintage restorations limited.
בהכנות לשפוץ מראהו של הרובר התחלתי עוד בארץ. כמעט שלושים שנה חלפו מאז השיפוץ הגדול של תחילת שנות השבעים, וזהו הזמן הדרוש כדי שמכונית חדשה תהפוך לרכב אספנות. באנגליה השגתי גומי חדש לכיסוי מדרגות המכונית, וכן את כל קישוטי הכרום שאבדו במשך השנים. את חלקי הכרום האחרים כגון מסגרת החלון הקדמי או מעטפת הרדיאטור מסרתי לציפוי מחודש בארץ, והם כולם הגיעו עם הרובר לאמריקה. מטרתי בפגישה הנ"ל היתה למצוא קשרים ראשוניים כדי לאתר פחח\צבע\רפד שיבצע את השפוץ.
ג'והן עצמו הוא כימאי לשעבר במה שמתואר כ"הממשלה האמריקאית". מי אני שאלין על שכמוהו. אחרי פרישתו ב 98 פתח את בית המלאכה לשיפוץ מכוניות אירופאיות.
בפתח שיחתו תיאר ג'והן את מפעל השיפוץ האולטימטיבי – white post restorations – השוכן במערב וירג'יניה (המזרחית) – מעבר להרים הכחולים, אך במונחים אמריקאיים עדיין בסביבות ושינגטון. במקום זה נערך שיפוץ אולטימטיבי במחיר התחלתי של רבע מיליון דולר.
ג'והן מבצע שיפוצים פחות גרנדיוזיים בחמישית המחיר (ועדיין ביותר ממחירה של מכונית יוקרה בארה"ב). המכונית מפורקת לחלקיה וכל חלק נבדק ביסודיות. מה שאפשר לתקן מתוקן, ומה שאי אפשר מוחלף בחלף אורגינלי או ברפליקה משובחת. כל פעולה מתועדת ולפי בקשת הלקוח, ובתשלום נוסף, גם מצולמת ומוסרטת.
ביום אחד של חופשה נסענו אליו, מהלך כ 60 מייל מרוקוויל, בין שדות תירס, חורשות אלונים ומחלפים מפלצתיים.
ג'והן ראה את הרובר ועיקם את האף.
המכונית במצב עלוב. יש בה חלודה ורקבונות. את כל צמת החשמל יש לייצר מחדש ואיפה תמצא חשמלאי שיעשה את זה (אני, אמרתי בליבי, פרט לכך שלמייק קולדרי יש כאלו מוכנות, רק צריך לבקש). הריפוד הרבה יותר יקר ומסובך מאשר זה של ה MG הפתוחות בהן הוא מתמחה. ובכלל, הוא לא מכיר את הרובר ולכן העבודה תהיה יקרה בגלל עקומת הלימוד. כרגע הוא תפוס לחצי השנה הקרובה.
אני לא דוגל בכפיית עבודה על בעלי מקצוע שלא רוצים לבצעה. המשכנו בחיפושים.
בינתיים ערך מועדון ה MG טיול לוויט-ספוט. הצטרפנו גם אנו, ברובר, שחצה לשם כך את ההרים הכחולים.
המקום דומה יותר למעבדה מאשר למוסך. כאשר מגיעה מכונית (אחרי שעורכי הדין של שני הצדדים הסכימו על החוזה) מפרקים אותה טכנאים בחלוקים לבנים לחלקי חלקיה תוך כדי תיעוד קפדני, סימון, רישום וצילום. כל חלק מושם בשקית עליה נרשמים פרטיו וכל אינפורמציה דרושה נוספת. המפעל מצויד בין היתר במכונות לעירגול וכבישת פח כדי ליצר מחדש חלקי מרכב, שלא להזכיר מחרטות וכרסומות, נפחיה לחישול, תנורים לטיפול טרמי וכבשני יציקה.
עוזרי מחקר נשלחים לספריות ולמפעלים (אם הם עדיין קיימים) ברחבי העולם כדי לדלות כל ספרות רלוונטית. מכונאים זקנים ממוסכים שעברו מן העולם מרואיינים. אחרי ניקוי יסודי ואיסוף (או יצור מחדש) של כל החלפים הדרושים מתחיל השחזור. כל פעולה מתועדת. כל חלק נמדד נבדק ונבחן על מפרטו במלואו. כך עושים דרג ד' על מטוס קרב בו תלוי גורל האומה.
יצאנו מתנשמים מעומק החוויה. בחוץ פגשנו בטיול נוסף שהגיע למקום: מועדון אירו-וויליס משנות העשרים, ששופצו כולן בוויט-ספוט. כן, אלו המכוניות עם מנוע knight בעל שסתומי השרוול החרישיים. על המכוניות היפיפיות ישבו אדונים וגבירות לבושים בבגדי התקופה, עם צעיפים ומעילי-אדרת מתאימים, מצויידים בסלי פיקניק קלועים, שמיכות מוהר, משקפי נהיגה וכסיות נהיגה.
אחת המכוניות התניעה. שלושת הנוסעים ישבו במקומותיהם והנהג משך בידית בלם היד. המכונית התפרקה לנגד עינינו, כמו בשמן והרזה. הנוסעים נשארו ישובים על הכביש.
הנהג קם על רגליו ובשלווה אולימפית שלף טלפון סלולרי מכיסו והזמין גרר. אנחנו החלטנו שגם למוסך הזה לא נמסור את הרובר לשיפוץ.
ואז הגיעה מעטפה מכובדת ובה הזמנה להשתתף ב British Car Day ה 24, המאורגן על ידי מועדון אמ.ג'י.טי מניו-אינגלנד, ובו ישתתפו מכוניות בריטיות קלאסיות מכל ערי ומושבות מפרץ הצ'ספיקי. המכוניות המשתתפות חולקו ל 45 קטגוריות, החל ב אוסטין-היילי ספרייט וכלה ברנג'-רובר דפנדר. הרובר השתייך לקטגוריה 23: שונות ויצור מצומצם, דהיינו מכונית שלא יובאה בכמויות מסחריות לארה"ב.
ביום המיועד ניגבתי את האבק מהרובר ונסענו לאלן פונד פרק אשר בבואי, מרילנד, מרחק כ 50 ק"מ מרוקוויל וקרוב מאד למטה נאס"א. כבר כשהתקרבנו למקום הבחנו בתנועת טריילרים ומשאיות גרר מוגברת.
התברר כי רבים מהמשתתפים הביאו את צעצועיהם היקרים עטופים בצמר גפן למקום התצוגה (ובאמת, מי משוגע להסיע על הכביש מכונית ששיפוצה עלה חצי מליון דולר וכל רוח מצויה תשוב ותהפוך אותה לגל גרוטאות?).
אחרי שהתמקמנו על חלקת הדשא שהוקצתה לנו והצבנו את השלט שהוכן עבורינו יצאנו לשוטט בין המוצגים.
אפילו לא קינאנו, כי הרמה היתה עשר דרגות מעל מה שיכולנו לחלום. רולס-רויס למינהו, מהסוג המשמש מלכים ושגרירים, נוצץ כבחלון ראווה. המוני אם. ג'י קטנים, אדומים כולם, עם מנועיהם המבהיקים שמעולם לא נזלו מהם לא שמן ולא דלק ואפילו לא מים. יגוארים משחרים לטרף ואפילו קבוצת דה-לוריאן מפלדת אלחלד, ומוטת כנפיהם פרושה.
שכנינו לקבוצת ה"שונות" היו שלוש טריומף רודסטאר 47 לבנות – מכוניות מרהיבות שעד אז לא ראיתי אחת מהן מקרוב. הרביעית היתה פורד פריפקט עלובה וחלודה למדי שמראה נטע בנו את התקווה שמכוניתנו שלנו אינה המסכנה ביותר על המדשאה הגדולה. המבקרים המועטים שהתקרבו לרובר אמרו, בנימוס ובחביבות האמריקאיות האופיניות: “כמה נחמד לראות מכונית חיה, אמיתית, כאן, ולא מוצג מוזיאוני.“ את רחמיהם התקשו להסתיר.
התנחמנו ביריד הגדול שהתרחש בשולי התצוגה. מצאנו בו חישוק חדש ונוצץ לפנס king of the road בו מצויד הרובר, כמה מגבים טריים (הללויה!) וכן פוסטר המפרט את לוח הטיפולים של הרובר!
הגיעה שעת חלוקת הפרסים. בקטגורית "שונות" זכה הפריפקט. וכבר אמר הפרד של אנדרסן, חבר ועדת השופטים: את הפרס הראשון אני נותן לאות הראשונה, אבל את השני לאות השניה מהסוף!
חזרנו הביתה בהחלטה נחושה לבצע סוף-סוף את השיפוץ הגדול.
המשכנו בחיפוש עד שמצאנו מוסך פחחות-רכב אחד, עלוב למדי ומבולגן למדי, בפיירפקס אשר בוירג'יניה (בעצם פרוור של וושינגטון) בשם דומיניון-מוטורס. הדומיניון היא כמובן מדינת וירג'יניה הידועה גם בשם אולד-דומיניון.
לבעל המוסך קראו חמיד ועד מהרה התברר כי הוא אירני. כשראה את הרובר אורו פניו והוא קרא בקול רם: “אני אוהב אותו! אני אוהב אותו!“. זו נראתה פתיחה טובה למו"מ על שיפוץ הרובר – פחחות, צבע וריפוד.
הצעת המחיר שהגיש חמיד היתה נמוכה בהרבה מזו שהגישו בתי המרקחת שנזכרו לעיל – אם כי גם היה ברור מראש שאין לצפות לעבודה באותה רמה. אבל על כל פשעים תכסה אהבה.
כתנאי לשיפוץ דרש חמיד א: תיעוד מפורט, כולל צילומים רבים ככל האפשר של מכוניות רובר תקינות ותקניות, מבפנים ומבחוץ; ב: את כל הגומיות וחלקי הכרום הדרושים.
ניגשתי לעבודה.
חיפוש קל באינטרנט העלה את האתר SCOTT'S OLD AUTO RUBBER ממלבורן אשר באוסטרליה. היה לו את כל מה שהייתי צריך, ובמחירים סבירים. כעבור שבוע כבר היתה חבילת הגומיות בידי.
חיפוש באינטרנט גם חשף את בעלי הרובר הדומה לשלי בארה"ב. מסתבר שישנם עוד שניים, ושניהם שוכנים בסביבות וושינגטון! יצרתי קשר עם שניהם. הראשון ענה שהוא מתבייש להראות את הרובר שלו. הוא התחיל בשיפוץ, איבד מספר חלקים, והמכונית נכה. השני הסכים בשמחה והזמיננו אל ביתו.
זו היתה רובר 75 מודל 1948 – דומה חיצונית אך בעלת מבנה מכני שונה ומתקדם יותר מאשר רובר 10.
האיש עוסק בסחר בינלאומי ואת המכונית מצא בהודו ויבאה לארה"ב משם.
צילמתי באינטנסיביות את כל פרטי הריפוד והקישוטים והבאתי לחמיד. חוץ מזה מצאתי באינטרנט בעלים גאה של רובר 12 מודל 47 מדנמרק, שהואיל גם הוא לצלם את פרטי הריפוד, הקישוט והצבע של מכוניתו, ולשלוח אלי.
פרטים רבים נוספים מצאתי באתר רובר הודי, בו תואר לאשורו רובר 10.
עוד פרטים השלמתי מספרי הרובר וקטלוג חלקי החילוף שבידי. את כולם צרבתי על CD ונתתי לחמיד, ואת החשובים שבהם הדפסתי בהדפסות צבע גדולות – למען ישוון תמיד לנגד עיניו.
ביום שנקבע נסע הרובר לחמיד, ואנו נפרדנו ממנו בתקוות גדולות. הזהרתי את חמיד שבע פעמים להשתמש אך ורק בברגי bsf/bsw ולהתייעץ איתי בכל מקרה של ספק. גם הצעתי לו להשתמש בסט הכלים שלי המתאים לברגי הרובר – הצעה שהוא דחה בחיוך מקסים ובאמירה הנודעת: “סמוך עלי, לא יהיו שום בעיות!“. הזכרתי לו שוב שברובר הקוטב החיובי של המצבר מחובר לשלדה, ושאסור ללחוץ על מתג המשאבה החשמלית – ונסענו.
בקרנו לראשונה במוסך כשבוע מאוחר יותר. הרובר כבר היה מפורק חלקית ומתחתיו גחן מכונאי שחור, מג'מייקה לפי מבטאו, ופניו זועמות בעליל. שאלתי אותו מה העניינים, והוא ענה שהוא שונא לעבוד על מכוניות ישנות וחלודות, ממש שונא – בפרט ששום מפתח לא מתאים לברגים הארורים האלה.
חמיד לא היה במוסך. חיכינו עד שיחזור וחזרנו על ההצעה בענין סט הכלים. “אין צורך" ענה חמיד באותו חיוך מקסים שהיה לו תמיד, והתחיל לנבור בערימת כלים זנוחים באחת המגרות של שולחן העבודה. “הנה הם!“ קרא בחדווה כשהוא ניתקל מפעם לפעם במפתח או בגביע bsf/bsw. “בוא הנה, יוסוף, הכלים הללו יעזרו לך!“
כך נמשכה לה העבודה בעצלתיים. ערב גשום אחד עלה חשד פתאום בליבי. קפצנו למכונית היומיומית ונסענו לפיירפקס, למוסך. ואכן, אשר יגורתי בא: הרובר, חצי מפורק, עם מנוע חשוף, עמד במגרש בגשם.
למחרת הגחתי למשרדו של חמיד, זועם בעליל, וחוללתי שערוריה. וראה זה פלא: חמיד התקפל כשפן קטן, נשבע שזה לא יקרה יותר וגמגם כי זה רק בגלל שלא הצליח להתניע. בדיקה קצרה העלתה כי מתג משאבת הדלק היה סגור, וכי המטען שחובר אחרי שהמצבר רוקן בנסיונות שוא להתניע – חובר הפוך, מינוס לשלדה, ולא רק שגרם לקצר כללי, אלא גם שרף חלק ניכר מצמת החיווט הבלויה.
חמיד התנצל אלף התנצלויות, ויוסוף הוא ואני דחפנו את הרובר חזרה למוסך, תחת קורת גג. הוא לא יצא מעכשיו מכאן, עד שלא תגמר העבודה. סחטתי מחמיד הבטחה כי אם יזדקק להתניע את הרובר – יקרא לי ולא ינסה לעשות זאת בכוחות עצמו.
לאט לאט התחילה העבודה להתקדם. הרובר פורק עד לאשיה. הצבע קולף מבפנים ומבחוץ. כל המשטחים יושרו ולוטשו. חלקים חלודים ורקובים הוחלפו בפח חדש בריתוכים נאים ומדויקים. כל הגומיות כולן הוחלפו בחדשות. החלון הקדמי החדש עם המסגרת המבהיקה הורכב וכמוהו גם מעטפת הרדיאטור המחודשת ויתר הקישוטים. אחרי טיפול יסודי נגד חלודה נצבע כל חלק לחוד בירוק כהה מאד, ואז הורכבה המכונית מחדש ונשלחה לרפד.
בקטלוג החלפים של הרובר מפורטים צבעי המכונית, סוגי הריפוד וצבעיו.
בשנת 1946, שנת צנע, הוצע הרובר בצבע שחור בלבד, עם ריפוד חום, מעוטר בקו זהב דק סביב-סביב. הריפוד היה מאריג "בדפורד" או מעור, לפי בקשה מיוחדת.
בשנת 1947 היה המבחר מגוון הרבה יותר: ניתן היה לבחור בצבע כחול כהה עם ריפוד כחול וקו כחלחל לעיטור; או בצבע ירוק עם ריפוד ירוק; או באדום-יין (מרון) עם ריפוד תואם וקו זהב לעיטור; או בצבע שחור וריפוד תואם ופס זהב לעיטור; או – בצבע שחור עם ריפוד ירוק ופס עיטור ירוק גם הוא.
חמיד טען שפס העיטור סתם הופך את המכונית למקושקשת והסכמנו לוותר עליו. כריפוד בחרנו פה אחד בעור אדום-יין.
הרפד התגלה כאנטיפט ולא היה מסוגל לעמוד בשום לוח זמנים מוסכם.
בינתיים היו בסביבה פיגועי ה 11 בספטמבר (קילומטרים ספורים מהמוסך של חמיד), בועת האינטרנט התפקעה וההיסטריה עברה מחדש לשוק המחקר הבטחוני, כך שבתחילת דצמבר 2002 כבר התכוננו לעבור למקום מגורים ועבודה חדש: קיימברידג' מסטצ'וסטס, והרובר עדיין לא היה מוכן.
אחרי שיחות טלפון נזעמות אחדות הכל הסתדר ונמצאה חברת הובלה שהסכימה להעביר את הרובר מפיירפקס וירג'יניה לקמברידג' מסצ'וסטס.
וכך, ביום מושלג אחד של תחילת ינואר 2003, בטמפרטורה של 10 – (צלזיוס) הופיע הרובר על גב משאית גרר ברחובנו החדש, נוצץ וצעיר כולו, אך גם מכוסה בשלג ושמא גם במלח-כבישים (אף כי שילמנו עבור הובלה בארגז סגור – בדיוק משום כך).
“הוא לא מתניע" אמר נהג הגרר.
טיפסתי אל הרובר, ומשכתי בכפתור משאבת הדלק. חיכיתי עד שתקתוק המשאבה יפסק, משכתי בידית המשנק למצב "התנעה בקור" ולחצתי על כפתור ההתנעה.
הרובר התניע מייד, אם כי ניתן היה לשמוע כי רק שני צילינדרים מתפקדים. כשהכנסתי אותו למוסך החדש, היבש שלו, הרמתי את מכסה המנוע וראיתי מייד כי חוטי המצתים אינם מחוברים נכון. סדר ההצתה ברובר הוא 1 2 4 3 והרוטור במפלג נע בניגוד לכוון השעון. חמיד חיבר כמובן 1 3 4 2.
במשך החודשיים הבאים, בקור הבוסטוני העז, יצרתי מחדש את צמת החיווט ווידאתי כי מערכת החשמל כולה מתפקדת כנדרש.
האביב התקרב והלך, והגיע הזמן להעלות מחדש את הרובר על הכביש.
פניתי לסוכן הביטוח כדי לבטח את הרובר ולסדר לו title של מדינת מסצ'וסטס. כל הפעילות הזו מתבצעת שם באמצעות סוכן הביטוח.
הרובר זכה למספר חדש: AN46760 , בתוספת antique. כמו-כן הוטל עליו בלו מטעם הקומנוולת של מסטצ'וסטס בסך 5% מערכו שנקבע להיות 100 דולר – כלומר חמשה דולר טבין ותקילין. בתנאי הרישוי והביטוח של מכוניות עתיקות נאמר כי מותר להן לנוע בדרכים אך ורק לצרכי תצוגות ואירועים הקשורים במכוניות עתיקות – וכמו כן לשם בדיקות.
סוכן הביטוח הסביר לי כי התנאי האחרון הוא סדק רחב דיו כדי להכניס בתוכו כל נסיעה. לו עצמו יש מכונית עתיקה וכך הוא נוסע בה בקיץ לחוף מדי סוף שבוע. שוטרי מסצ'וסטס התגלו כאדיבים וחביבים ולא עצרו את הרובר ולו פעם אחת בתואנה כלשהי.
בימי גשם ושלג לא הוצאנו את הרובר מהמוסך. אך בימים יפים, ולא חסרו כאלה, נסענו בה לטייל בבוסטון וסביבותיה – בעיקר בערי החוף המקסימות.
בניגוד למרילנד בה אין "טסט" למכונית היסטורית, במסצ'וסטס יש ויש. ביום המיועד נסעתי לתחנת דלק בקרבת הבית, והתייצבתי לטסט. המתדלק שאל אותי היכן שקע המחשב במכונית הזו. הטסט מתבצע פשוט על ידי חבור מחשב תחנת הדלק לשקע המחשב במכונית וזה מגלה עליה מיד את כל האמת.
“אין שקע מחשב במכונית הזו" הסברתי. המתדלק הקליד ידנית passed ובכך הסתיים הטסט.
פנצ'ר התגלה כקושי לא מבוטל. מוסכים, ואפילו כאלה המתמחים בצמיגים, מסרבים לטפל בצמיגים בעלי אבובים – כנראה מחשש לתביעות. גם כשמצאתי מישהו שהסכים לטפל בצמיג בעל אבוב – הוא סירב בתוקף להטליא, ודרש שאספק אבוב חדש.
שוב בא האינטרנט לעזרתי ותוך ימים אחדים הגיע האבוב המבוקש לידי. זו היתה הזדמנות להחליף את כל ארבעת הצמיגים בצמיגי "מישלן" חדשים, שגם המידה האקזוטית 17X475 קיימת בהם.
שהותנו בבוסטון הגיעה לקיצה, וביום המיועד הסעתי את הרובר למחסני חברת "איציק" בברוקליין, הכפר הישראלי בבוסטון רבתי. שם החלפתי את לוחית הרישוי חזרה ללוחית הישראלית איתה הגיע לאמריקה.
שוב הוכנס הרובר למכולה, עם המנוע הרזרבי וכל יתר החלפים.
השחרור מהמכס וההעלאה חזרה לכביש הישראלי לא נתקלו בקשיים מיוחדים, עקב הצהרתי בעת ההשבתה כי הרכב יהיה בחו"ל.
והריהו כאן חזרה, כמימים ימימה.
.
































יפה!
מה זה "סמפורים"
"סמפור" הוא "יד" קטנה, המתרוממת בצד שמאל של המכונית כשהיא מתכוננת לפנות שמאלה, ומצד ימין של המכונית כשהיא מתכוננת לפנות ימינה.
סמפורים נהוגים עד היום לאיתות לרכבות.
עד שנות הששים המאוחרות כלי רכב לא היו חייבים להיות מצויידים באיתות מהבהב. החוק חייב אבל, לאותת ביד. זה היה בלתי אפשרי במכונית עם הגה ימני, ולכן היתה מגבלה ברשיון: "חייב באיתות חשמלי". הרובר (מודל 1946) היה מצוייד בסמפורים אלקרומגנטיים, שפועלים עד היום.
ראה עוד כאן:
http://www.oldclassiccar.co.uk/forum/phpbb/phpBB2/viewtopic.php?t=2359
חבל שהיום אי אפשר לייבא רכב עם הגה ימני לישראל
(גם לא אספנות)
הבנתי שאפשר להיכנס עם רכב כזה לארץ כתייר אבל לא לרשום אותו כמקומי ולקבל רישוי ישראלי
וואו… קראתי בנשימה אחת, כשמעת לעת חיוך גדול עולה על פני ואני בקושי חונק את הצחוק המתפרץ 🙂
כתוב מדהים ומרתק, יישר כח!!
שלום,
קראתי בשקיקה את הסיפור, שמעבר להיותו כל כך מעניין הוא כתוב מצוין ומשעשע.
ממש לאחרונה סיימתי תהליך שיפוץ של רכב אספנות, צעיר בהרבה (1971) והכל בעידן ה- google ו- E-bay, ואני עוד חשבתי לתומי שעברתי תהליך לא פשוט…עכשיו אחרי שקראתי על "הימים ההם" טרם נולדתי( (: ), על ההתכתבויות, על איתור החלקים ושיפוצם…אני מקבל פרופורציות…
אני רק יכול לאחל לך שתזכה ליהנות מהרובר, והרובר ממך עוד שנים רבות.
עופר.
קראתי את כל המאמר ופשוט לא יכלתי שלא להגיב.
איזה סיפור עצום!!!!!
העולם השתנה בעשורים האחרונים, ויחד עם הברכה הגדולה באפשרות ייבוא רכבי אספנות משהו מהקסם הראשוני נעלם. כמעט לא נשארו בעליי רכבים קלאסיים שמחזיקים אותם עשרות שנים, עושים הכל לבד, ויש להם סיפורי אהבה מרתקים ומקיפים כל כך למכוניות שלהם.
כמישהו שבשנת לידתו אביו קנה רכב חדש, רכב שעבר אליי בזמן שהייתי חייל, והוא עדיין אצלי (שנינו בני 3 אני כל כך מבין את סיפור האהבה הנפלא הזה שבו לכל מקום שאתה הולך, הרובר באה איתך. את הרכב שלי אני לא אחליף בעד שום הון או רכב חלומות, ההסטוריה שלי ושלו היא אותה היסטוריה.
סיפור מקסים, עצום ומרגש.
תודה!!!!
סיפור מדהים ,
מי הכותב ? מייל וכד'
ואיפה האוטו היום ?
סיפור נהדר, אהבתי את הפרטים הקטנים. גורם לחשק עז לשפץ מכונית!
כבר עשרות שנים אני מכיר ומוקיר רובר דרומית זו, הכתבה מדהימה כמו גם ההתמדה וההשקעה של בעל הרכב, ממש מחמם את הלב.
שלום אדוני
לפני 30 שנה התיצבתה עם מכוניתך בחצרנו [פגישת מועדון החמש הראשונה] במושב ביצרון וספרת על נפלאות הרכב וביחוד קנה את ליבי העניין שהרכב משמש אותך ליום יום ,אומנם עברתם ביחד לא מעט תלאות ,אך נשואי הנצח בינכם הם עובדה ,וכשאוהבים אוהבים ,כמה יפה כמה רומנטי וסיפורך מרגש ומדהים .
נאחל לך ולגברת רובר בריאות ואריכות ימים
סיפור מגניב! מקווה ששמרת את לוחיות הרישוי של מרילנד ומסצ'וסטס למזכרת
לא, לא שמרתי. החוק במדינות אלו אומר כי אם אינך מחזיר את לוחיות הרישוי עליך להמשיך לשלם מסים על המכונית (מסצוסטס) ואינך יכול לקבל רישוי במסצ'וסטס אם ברשותך לוחית ממדינה אחרת, ושאתה חייב לרשום את מכוניתך שם אם אתה נמצא בה יותר מחודשיים…
חבל… יכלה להיות מזכרת נחמדה מהימים של הרובר באמריקה
אבל לפחות יש תמונות
ידוע לי שחלק ממדינות ארה"ב מאפשרות לך לשמור את הלוחית של המדינה הקודמת
חבל שמרילנד ומסצ'וסטס אינן כלולות ברשימה הזו
נ.ב
תודה על התשובה. מצאתי את הסיפור בקבוצת מועדון ה-5 בפייסבוק וקראתי אותו ברצף באמצע הלילה, החלטרתי להשאיר תגובה, לא תיארתי לעצמי שיענו לי
אהבתי את הסיפור
השם העברי של הצלם שלייסנר היה דן שם בנו בני ושם ביתו נעמי
השם
ברשיון היה כתוב פליקס שלייסנר ועד כמה שאני יודע דני היה שם בנו, אבל מסתבר שטעיתי ואתקן.
ממש חתיכת היסטוריה ,על פי התיאור והסיפור שווה להפוך לסרט, אני עומד לפני שיפוץ של מכונית מרצדס 170 שנת 1951 והסיפור הזה נותן לי הרבה חומר למחשבה והבנה בפני מה שאני עומד ועוד שאני בעל ידע במכונאות ומכניקה ,אך זאת הייתה חוויה לקרוא את הכתבה ישר כח
ועוד במיוחד שהמרצדס דומה כשתי טיפות מים לרובר